三相异步电动机Y-△转换控制PLC接线图
时间:2023-03-06来源:佚名
|
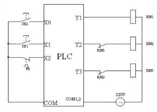
根据图1所示的控制线路图及I/O分配,绘制PLC硬件接线图。为防止Y-△启动接触器的触点粘连而发生短路事故,一方面在梯形图设计中设置互锁,另一方面在PLC外部也用了实际常闭触点设置了互锁。
1、按照图1连接好PLC的输入和输出; 2、输入图2的梯形图,并将程序下载到PLC。 3、将PLC运行开关打到RUN,运行程序。 5、操作控制按钮,观察运行结果:按下SB2,X1得电闭合,Y1得电,驱动KM1主触点闭合,同时Y2也得电,星形接触器KM2线圈得电,电动机M定子绕组接成星形,电动机降压启动;同时定时器T0开始定时,5S后T0线圈得电,Y2失电,Y3得电,星星接触器KM2断开,三角形接触器KM3接通,定子绕组改接成三角形,电动机全压运转。按下停止按钮SB1,电动机M停车。 |








