运输车自动往返控制的PLC梯形图编程案例
时间:2023-03-06来源:佚名
|
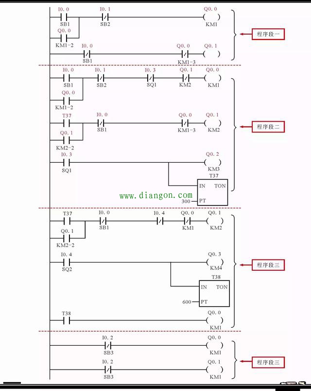
案例描述: 运输车的起动由左行起动按钮和右行起动按钮SB1、SB2进行控制; 运输车起动运行后,首先右行到限位开关SQ1处,此时运输车停止进行装料,30秒后装料完毕,运输车开始左行; 当运输车左行至限位开关SQ2处时,运输车停止进行卸料,60 s后卸料结束,再右行,行至限位开关SQ1处再停止,进行装料,如此循环工作。 按下停止按钮SB3后,运输车停止工作。 根据运输车的自动往返运行的控制要求,我们可以将功能模块划分为4部分,如下图所示。
I/O分配完毕,便可根据控制过程完成PLC梯形图的程序编写。
|














