PLC数字量输入模块电路
|
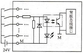
数字量输入模块用于连接外部的机械触点和电子数字式传感器,例如光电开关和接近开关等。数字量输入模块将来自现场的外部数字量信号的电平转换为plc内部的信号电平。输入电流一般为数毫安。 图1是直流输入模块的内部电路和外部接线图,图中只画出了一路输入电路,M或N是同一输入组内各内部输入电路的公共点。当图1中的外部电路接通时,光耦合器中的发光二极管( LED)点亮,光敏三极管饱和导通;外部电路断开时,光耦合器中的LED熄灭,光敏三极管截止,信号经背板总线接口传送给CPU模块。 交流输入模块的额定输入电压为AC 120 V或230 V。图2的电路用电容隔离输入信号中的直流成分,用电阻限流,交流成分经桥式整流电路转换为直流电流。外部电路接通时,光耦合器中的发光二极管和显示用的发光二极管点亮,光敏三极管饱和导通。外部电路断开时,光耦合器中的发光二极管熄灭,光敏三极管截止,信号经背板总线接口传送给CPU模块。
图1 数字量输入模块电路
图2 数字量输入模块电路 直流输入电路的延迟时间较短,可以直接与接近开关、光电开关等电子输入装置连接,DC 24 V是一种安全电压。如果信号线不是很长,PLC所处的物理环境较好,应考虑优先选用DC 24 V的输入模块。交流输入方式适合在有油雾、粉尘的恶劣环境下使用。 数字量输入模块可以直接连接两线式BERO接近开关,后者的输出信号为0状态时,其输出电流(空载电流)不为0。在选型时应保证两线式BERO的空载电流小于输入模块允许的静态电流,否则将会产生错误的输入信号。 根据输入电流的流向,可以将输入电路分为源输入电路和漏输入电路。漏输入电路(见图1)的输入回路电流从模块的信号输入端流进来,从模块内部输入电路的公共点M流出去。PNP集电极开路输出的传感器应接到漏输入的数字量输入模块。 在源输入电路的输入回路中,电流从模块的信号输入端流出去,从模块内部输入电路的公共点M流进来。NPN集电极开路输出的传感器应接到源输入的数字量输入模块。 数字量模块的输入/输出电缆的最大长度为1000 m(屏蔽电缆)或600 m(非屏蔽电缆) |








