学好plc一定要积累足够的实例知识,小编为大家准备了一些较为基础的实例,只为帮助新手,还望高手轻拍! 一、控制输出程序 1.等效控制输出 输出仅取决于控制输入现状态。
 2.长效控制输出 控制输出不完全取决于输入的现状态,还与输入的历史有关。输入对输出有长效作用。
 3.短效控制输出 它的控制输出也不完全取决于输入的现状态。其输入对输出仅有短暂的作用,故称短效输出。
 二、单按钮起停程序 1.单按钮即时起、停程序
 a)OMRON PLC b)三菱 PLC c、d)西门子plc e)和利时PLC f)AB PLC 下图所示程序也具有同样的功能。只是这里用的是触点先并后串。脉冲信号用微分指令生成。

 2.单按钮短按起、长按(超过1s)停程序 上述单按钮起、保、停梯形图程序,是起、是停,容易“糊涂”。其实,完全可使用按钮按下不同的时间,去区分是起还是停。


单按钮短按起、长按(超过1秒)停程序 3.单按钮长按(超过1s)起、短按停程序

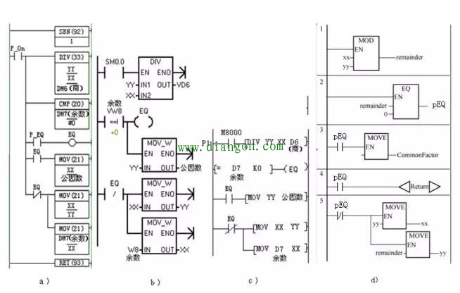
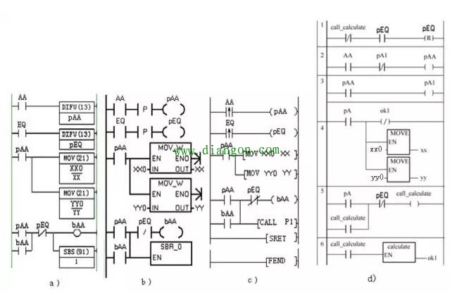
a – OMRON PLC程序 b – 三菱 work2 软件 PLC 程序 c – 施耐德 Unity Pro XL软件PLC程序 d – 西门子 ST7软件PLC 程序 单按钮长按起(超过1秒)、短按停程序 三、求公因数程序 求公因数欧几里得的这个算法,如用表达式表达,则是:

a)OMRON PLC b)西门子PLC c)三菱 PLC d)和利时PLC 求两个整数的公因数子程序 子程序,用以实现上述花括弧内的算法。
 a)OMRON PLC b)西门子PLC c)三菱 PLC d)和利时PLC 求两个整数的公因数主程序 主程序,用以实现上述花括弧外的算法。 结语 弄清以上问题不是目的,目的是从中能对PLC程序有较具体的认识。 本文只是为编程做准备,大家要根据问题再去学习相关算法,再在算法实例化中进一步熟悉基础知识。这些过程反复循环,不断提高,将使你的编程进入新的境界!
|