三菱FX2N系列PLC的编程器件
|
可编程控制器实质是用程序表达控制过程中事物间的逻辑或控制关系。这种关系必须借助机内器件来表达,这就要求在可编程控制器内部设置具有各种各样功能的,能方便地代表控制过程中各种事物的元器件。这就是编程器件。 可编程控制器的编程器件从物理实质上来说是电子电路及存储器。具有不同使用目的的元件其电路有所不同。考虑工程技术人员的习惯,用继电器电路中类似名称命名。称为输入继电器、输出继电器、辅助(中间)继电器、定时器、计时器等。为了明确它们的物理属性,称它们为“软继电器”。从编程的角度出发,我们可以不管这些器件的物理实现,只注重它们的功能,像在继电器电路中一样使用它们。 在可编程控制器中这种“器件”的数量往往是巨大的。为了区分它们的功能,不重复使地选用,我们给元件编上号码。这些号码也就是计算机存储单元的地址。FX2N系列plc具有数十种编程器件,它们均用字母和编号来表示。字母如X表示输入,Y表示输出,编号由3位数字表示,数字因机型不同而异。 1.输入继电器(X0~X267) 输入继电器与PLC的输入端相连,是PLC接收外部开关信号的接口。与输入端子连接,输入继电器是光电隔离的电子继电器,其线圈、动合触点、动断触点与传统的硬继电器表示方法一样,如图左边所示。这里动合触点、动断触点的使用次数不限,这些触点在PLC内部可以自由使用。FX2N型PLC输入继电器采用八进制地址编号X0~X267,最多可达184点,输入继电器必须由外部信号所驱动,而不能由程序驱动,其触点也不能直接输出驱动外部负载。
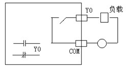
图1 输入继电器示意图 2.输出继电器(Y0~Y267) 输出继电器是将PLC的输出信号送给输出模快,再驱动外部负载的元件,如图2右边所示,每一个输出继电器有一个外部输出的动合触点(硬触点),它与PLC的输出端子相连,而内部的软触点,不管是动合还是动断,都可无限制的自由使用。有一定的负载能力。FX2N型PLC输出继电器也采用八进制地址编号Y0~Y267,最多可达184点输出。
图2 输出继电器示意图 例1:设计一个用在门铃上的小开环电路。只有在PB1被按下时,门铃BL1才响。
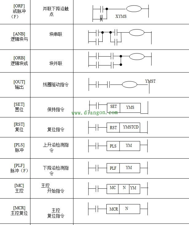
3.辅助继电器M PLC内部有很多辅助继电器,它的动合动断触点在PLC内部编程时可以无限次的自由使用。但是这些触点不能直接驱动负载,辅助继电器M只能由程序驱动,外部负载必须由输出继电器的外部触点来驱动。 (1)通用辅助继电器(M0~M499) 通用辅助继电器作用类似中间继电器,地址编号按十进制M0—M499共500点(在FX型PLC中除了输入输出继电器外,其他所有器件都是十进制编号)。 (2)断电保持辅助继电器(M500~M1023) PLC在运行中若发生停电,输出继电器和通用辅助继电器全部成为断开状态。上电后,除了PLC运行时被外部输入信号接通的以外,其他仍断开。不少控制系统要求保持断电瞬间状态。断电保持辅助继电器就是用于此场合,断电保持辅助继电器M500~M1023(524点)是由PLC内装锂电池支持的。 (3)特殊辅助继电器(M8000~M8255) PLC内有256个特殊辅助继电器,这些特殊辅助继电器各自具有特定的功能。根据使用方式可以分为二类: 一类为其线圈由PLC自行驱动,用户只能利用其触点。如常用的有: M8000为运行监视用,当PLC运行,M8000接通。 M8002为初始化脉冲,在PLC运行瞬间,M8002发一单脉冲。 M8012为产生100ms时钟脉冲的特殊辅助继电器。 M8013为产生1s时钟脉冲的特殊辅助继电器。 另一类为可驱动线圈型特殊辅助继电器,用户驱动线圈后,PLC做特定动作。例如: M8030:使BATTLED(锂电池欠压指示灯)熄灭。 M8033:PLC停止时输出保持。 M8034:禁止全部输出。 M8039:定时扫描方式。 注意,未定义的特殊辅助继电器不可在程序中使用。 FX2N PLC各基本指令的符号、功能如下表所示。 表1 基本指令一览
图2所示为使用上述三条基本指令的梯形图。图2-1-4 LD、LDI、OUT 指令使用说明梯形图 2.脉冲取指令LDP、LDF LDP取脉冲上升沿:逻辑运算开始,与左母线连接的上升沿检测 LDF:取脉冲下降沿:逻辑运算开始,与左母线连接的下降沿检测 上升沿触点指令的功能是:指令元件置1的时刻有能流通过一个扫描周期。下降沿触点指令的功能是:指令元件置0的时刻有能流通过一个扫描周期。 3.触点串联指令AND、ANI AND:与指令,用于单个动合触点的串联。 ANI:与非指令,用于单个动断触点的串联。 AND与ANI都是一个程序步指令,AND、ANI指令可多次重复使用,即串联触点个数不限;这两条指令的目标元件为X、Y、M、T、C、S。OUT指令后,通过触点对其他线圈使用OUT指令称为纵接输出(连续),这种输出如果循序不错,可以多次重复。 例2:传送带上物理位置的检测。当包裹从传送带上过来时,经过两个光电管PC1和PC2,这两个光电管用来检测传动带上包裹的位置。要求当两个光电管都接通时,驱动贴邮票执行机构ST1,给包裹贴上邮票。
4.触点并联指令OR、ORI OR:或指令,用于单个动合触点的并联 ORI:或非指令,用于单个动断触点的并联 OR与ORI都是一个程序步指令,它们的目标元件是X、Y、M、T、C、S;OR、ORI指令是将一个触点从当前步开始,直接并联到控制母线上,且并联次数不限。 典型控制程序 1、自锁程序 自锁电路也称自保持电路。常用于无机械锁定开关的启动停止控制中。如用无机械锁定功能的按钮控制电动机的启动和停止;并且分为启动优先和断开优先两种。
图4 断开优先程序和启动优先程序 2、互锁程序 互锁电路用于不允许同时动作的两个或多个继电器的控制,如电动机的正反转控制。
图5 互锁控制程序 |

















