熔断电阻器是一种敏感电阻器,在电路中起着熔丝和电阻器的双重作用。 熔断电阻器实物图
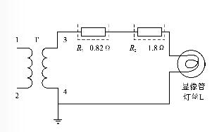
 熔断电阻器参数说明: 1.熔断电流:熔断电阻器允许过流的最大电流 2.额定电流:熔断电阻器正常条件下工作时流过的电流,其值小于熔断电流值。 3.标称阴值:这与普通电阻器对的阴值参数相同,熔断电阻器的标称阴值一般为 几欧到几十欧。功率较小,一般为1/8-1W. 熔断电阻器应用在电源电路输出和二次电源输出电路中,其功能就是在过流时及时熔断,保护电路中其他元件免受损。在电路负载发生短路故障,出现过电流时,熔断电阻器的温度在很短时间内就会升高到550℃~600℃,这时电阻层变受热剥落而熔断,起到保险作用,保护整机安全。 电路中熔断电路器有两方面作用: 1.若某种故障使变压器3~4端电压升高时,流过灯丝电流会增大,由于串联了熔断电阻器R1和R2,故起到了限制电流增大的作用,在一定程度上保护了灯丝不被烧断; 2.当3~4端电压继续升高,使电流增大到电阻器的熔断电流值时,R1和R2便立即被烧断,从而保护了灯丝及显像管。

彩电显像管部分电路简要图 |