电动机正反转互锁电路接线图详解
时间:2023-03-06来源:佚名
|
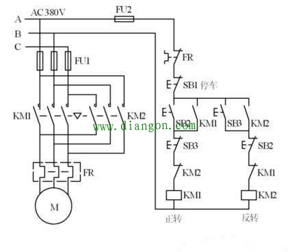
接触器联锁正反转控制线路中,电动机从正转转变为反转时,必须先按下停止按钮后,才能按反转启动按钮,否则由于接触器的联锁,不能实现反转。否则会出现短路,因此此线路工作安全可靠,但操作不便。
线路的工作原理如下:先合上电源隔离开关QS 1、正传控制
|
|
接触器联锁正反转控制线路中,电动机从正转转变为反转时,必须先按下停止按钮后,才能按反转启动按钮,否则由于接触器的联锁,不能实现反转。否则会出现短路,因此此线路工作安全可靠,但操作不便。
线路的工作原理如下:先合上电源隔离开关QS 1、正传控制
|








