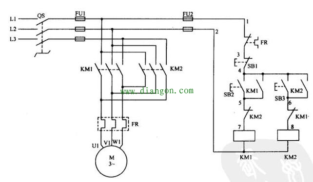
接触器互锁的三相异步电动机正反转控制线路如图所示。

主电路采用了两个接触器,其中接触器KM1用于正转,接触器KM2用于反转。当接触器KM1主触点闭合时,接到电动机接线端U,V,W的三相电源相序是L1,L2,L3,而当接触器KM2主触点闭合时,接到电动机接线端U,V,W的三相电源相序是L3,L2,L1,其中L1和L3两相对调了,所以,电动机旋转方向相反。从线路可以看出,用于正反转的两个接触器KM1和KM2不能同时通电,否则会造成L1和L3两相电源短路。所以,正反转的两个接触器需要互锁。
接触器互锁的正反转控制线路的工作原理为:合上电源开关QS。当需要电动机正转时,按下电动机M的正转启动按钮SB2,接触器KM1线圈得电,其主触点接通电动机M的正转电源,电动机M启动正转。同时,接触器KM1的辅助动合触点(4-5)闭合自锁,使得松开按钮SB2时,接触器KM1线圈仍然能够保持通电吸合,而接触器KM1辅助动触点(6-8)断开,切断接触器KM2线圈回路的电源,使得在接触器KM1得电吸合时,接触器KM2不能得电,实现了KM1,KM2的互锁。
当需要电动机M停止时,按下按钮SB1,接触器KM1线圈失电释放,所有常开,常闭触点复位,电路恢复常态。
同理,当需要电动机M反转时,按下反转按钮SB3,接触器KM2线圈得电,其主触点接通电动机M的反转电源,电动机M启动反转。同时,接触器KM2的辅助动合触点(4-6)闭合自锁,使得松开按钮SB3时,接触器KM2线圈仍然能够保持通电吸合,而接触器KM2辅助动触点(5-7)断开,切断接触器KM1线圈回路的电源,使得在接触器KM2得电吸合时,接触器KM1不能得电,实现了KM1,KM2的互锁。
当需要电动机M停止时,按下按钮SB1,接触器KM2线圈失电释放,电动机M断电停转。