三极管放大电路的本质你了解吗?三极管工作状态
时间:2023-03-06来源:佚名
|
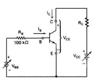
三极管有三种工作状态,分别是放大、饱和、截止。使用最多的是工作在放大状态。NPN型三极管其两边各位一块N型半导体,中间为一块很薄的P型半导体。这三个区域分别为发射区、集电区和基区,从三极管的三个区各引出一个电极,相应的称为发射极(E)、集电极(C)和基极(B)。虽然发射区和集电区都是N型半导体,但是发射区的掺杂浓度比集电区的掺杂浓度要高得多。另外在几何尺寸上,集电区的面积比发射区的面积要大。由此可见,发射区和集电区是不对称的。
输入特性曲线
|









