电阻器的串联电路和并联电路详解
时间:2023-03-06来源:佚名
|
在电路中,主要有串联和并联两种连接方式。串联电路根据字面意思可以直接理解为以串联方式连接的电路称为串联电路,其主要是电阻越串联的多,阻值就越大,越并联的多,电阻就越小。而并联电路是指在电路中,所有电阻(或其他电子元件)的输入端和输出端分别被连接在一起,下面对两种电路进行详细说明: 电阻器的两端点传戒的方式首位连接,并形成一个封闭回路,这类电路就称之为串联电路。在串联电路中,电阻器的总电阻值为各电阻器的电阻值之和:即;R总=R1 R2 R3(如图一)
在串联电路中,流经每一个组件的电流相同,RA=RB=RC=R总(如图二)
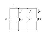
在并联电路中,横跨每个电阻器的电压都相同,电阻器的总电阻值的倒数为各电阻器电阻值倒数之和:1/R=1/R1 1/R2,并联电路中的电流(如图三)
实际应用电路中既有电阻器的串联电路,又有电阻器的并联电路,这样的电路成为电阻器的串并联电路或者混联电路。 |







