双速电机的基本调速原理
时间:2023-03-06来源:佚名
|
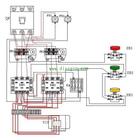
根据公式;n=60f/p,可知异步电动机的同步转速与磁极对数成反比,磁极对数增加一倍,同步转速n下降至原转速的一半,电动机额定转速n也将下降近似一半,所以改变磁极对数可以达到改变电动机转速的目的。这种调速方法是有级的,不能平滑调速,而且只适用于鼠笼式电动机。主要是通过以下外部控制线路的切换来改变电机线圈的绕组连接方式来实现。
|
|
根据公式;n=60f/p,可知异步电动机的同步转速与磁极对数成反比,磁极对数增加一倍,同步转速n下降至原转速的一半,电动机额定转速n也将下降近似一半,所以改变磁极对数可以达到改变电动机转速的目的。这种调速方法是有级的,不能平滑调速,而且只适用于鼠笼式电动机。主要是通过以下外部控制线路的切换来改变电机线圈的绕组连接方式来实现。
|







