单相交流电动机正/反转控制线路的检修方法图解
时间:2023-03-06来源:佚名
|
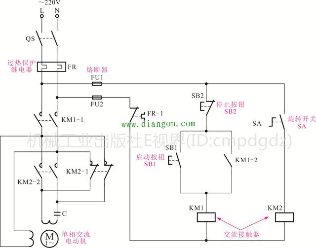
单相交流电动机正反转控制电路是指通过改变电动机绕组的电源相序来实现电动机的正反转工作状态。当按下起动按钮,单相交流电动机开始正向运转;当调整旋转开关后,单相交流电动机便可反向运转。
|
|
单相交流电动机正反转控制电路是指通过改变电动机绕组的电源相序来实现电动机的正反转工作状态。当按下起动按钮,单相交流电动机开始正向运转;当调整旋转开关后,单相交流电动机便可反向运转。
|





