过热保护继电器的外形及内部结构_过热保护继电器的控制关系图解

时间:2023-03-06来源:佚名

过热保护继电器的外形及内部结构_过热保护继电器的控制关系图解
图 过热保护继电器的外形及内部结构
过热保护继电器是利用电流的热效应来推动动作机构使其内部触点闭合或断开的,主要用于电动机的过载保护、断相保护、电流不平衡保护以及热保护。

过热保护继电器的外形及内部结构_过热保护继电器的控制关系图解

过热保护继电器的外形及内部结构_过热保护继电器的控制关系图解
图 过热保护继电器的连接关系

过热保护继电器的外形及内部结构_过热保护继电器的控制关系图解

过热保护继电器的外形及内部结构_过热保护继电器的控制关系图解
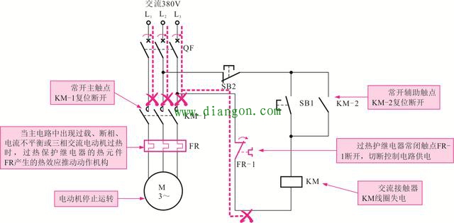
图 电路异常时过热保护继电器的控制关系

    热销商品

    加厚abs安全帽电工建筑工地程施工领导监理透气防砸头盔可印字V型

    这款加厚ABS安全帽专为电工、建筑工地施工人员、领导及监理设计,采用高强度ABS工程塑料,抗冲击、防砸性能优异,有效保障头部安全。帽体加厚设计,增强耐用性与防护等级...
    5.8

    水口钳高硬度模型剪钳电子钳工业级口水剪斜嘴钳偏口斜口专用钳子

    水口钳高硬度模型剪钳是一款工业级精密工具,专为电子、模型制作及精细作业设计。采用优质高碳钢材质,经热处理工艺打造,具备卓越的硬度和耐磨性,可轻松剪切金属引脚、...
    4.8

    170电子剪钳II 如意斜口钳 工业斜嘴钳水口钳 模型剪塑胶钳尖嘴钳

    170电子剪钳II如意斜口钳是一款专业级精密工具,集工业斜嘴钳、水口钳、模型剪、塑胶钳与尖嘴钳功能于一体,适用于电子维修、模型制作、手工艺及精密作业。其采用优...
    4.5

    安全帽国标工地加厚施工领导透气安全头盔建筑工程监理免费印字

    本款安全帽严格遵循国家GB 2811-2019标准,专为建筑工程、工地施工及监理人员设计。采用高强度ABS工程塑料,加厚壳体有效抗冲击,保障头部安全。帽体轻盈透气,内置可调...
    10

    包邮三角型简易螺丝刀三角十字螺丝刀螺丝批改锥起子五金工具5mm

    这款5mm三角型简易螺丝刀,专为拧紧或拆卸三角形螺丝设计,适用于电子维修、家电维护及精密仪器装配等场景。采用优质合金钢材质,刀头硬度高、耐磨损,确保长久使用不变...
    3.64

    网站栏目