维修电工请注意:小隐患差点酿成火灾
时间:2023-03-06来源:佚名
|
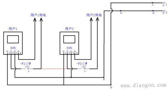
今年年初某日傍晚,正在厨房打算烧菜时,电能表进线端突然发生短路,我果断将进线剪断,这样才终止事态继续蔓延,还好电能表没被烧掉,房屋是农村砖房,所以房子也没什么事,因此借这个事情叙述一下,大家了解之后,避免有类似的事发生。 先来张示意图便于说明,如下图:
电工学习网独家原创稿件,转载必须注明出处及原文链接。 |
|
今年年初某日傍晚,正在厨房打算烧菜时,电能表进线端突然发生短路,我果断将进线剪断,这样才终止事态继续蔓延,还好电能表没被烧掉,房屋是农村砖房,所以房子也没什么事,因此借这个事情叙述一下,大家了解之后,避免有类似的事发生。 先来张示意图便于说明,如下图:
电工学习网独家原创稿件,转载必须注明出处及原文链接。 |






