目前的单相漏电保护器有许多种型号,各不相同。
比如,常用的DZ第列的漏电保护器, 开关断开时 只断开相线,零线仍然通的。用万用表量一下就能知道。
漏电保护器,简称漏电开关,又叫漏电断路器,主要是用来在设备发生漏电故障时以及对有致命危险的人身触电保护,具有过载和短路保护功能,可用来保护线路或电动机的过载和短路,亦可在正常情况下作为线路的不频繁转换启动之用。
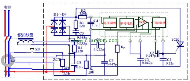
漏电保护器的工作原理是:
将漏电保护器安装在线路中,一次线圈与电网的线路相连接,二次线圈与漏电保护器中的脱扣器连接.
当用电设备正常运行时,线路中电流呈平衡状态,互感器中电流矢量之和为零(电流是有方向的矢量,如按流出的方向为“+”,返回方向为“-”,在互感器中往返的电流大小相等,方向相反,正负相互抵销).由于一次线圈中没有剩余电流,所以不会感应二次线圈,漏电保护器的开关装置处于闭合状态运行.
当设备外壳发生漏电并有人触及时,则在故障点产生分流,此漏电电流经人体—大地—工作接地,返回变压器中性点(并未经电流互感器),致使互感器申流入、流出的电流出现了不平衡(电流矢量之和不为零),一次线圈申产生剩余电流.因此,便会感应二次线圈,当这个电流值达到该漏电保护器限定的动作电流值时,自动开关脱扣,切断电源。
(下附原理图)

漏电保护器可以按其保护功能、结构特征、安装方式、运行方式、极数和线数、动作灵敏度等分类,这里主要按其保护功能和用途分类进行叙述,一般可分为漏电保护继电器、漏电保护开关和漏电保护插座三种。
漏电保护继电器由零序互感器、脱扣器和输出信号的辅助接点组成。它可与大电流的自动开关配合,作为低压电网的总保护或主干路的漏电、接地或绝缘监视保护。
当主回路有漏电流时,由于辅助接点和主回路开关的分离脱扣器串联成一回路,因此辅助接点接通分离脱扣器而断开空气开关、交流接触器等,使其掉闸,切断主回路。辅助接点也可以接通声、光信号装置,发出漏电报警信号,反映线路的绝缘状况。其工作原理流程如下:



漏电保护开关是指不仅它与其它断路器一样可将主电路接通或断开,而且具有对漏电流检测和判断的功能,当主回路中发生漏电或绝缘破坏时,漏电保护开关可根据判断结果将主电路接通或断开的开关元件。它与熔断器、热继电器配合可构成功能完善的低压开关元件。