it系统是什么?it系统特点_IT系统接线图
时间:2023-03-06来源:佚名
|
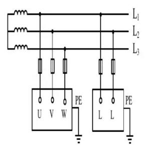
IT系统就是电源中性点不接地,用电设备外露可导电部分直接接地的系统。IT系统可以有中性线,但IEC强烈建议不设置中性线。因为如果设置中性线,在IT系统中N线任何一点发生接地故障,该系统将不再是IT系统。
IT系统接线图如图1所示。
|
|
IT系统就是电源中性点不接地,用电设备外露可导电部分直接接地的系统。IT系统可以有中性线,但IEC强烈建议不设置中性线。因为如果设置中性线,在IT系统中N线任何一点发生接地故障,该系统将不再是IT系统。
IT系统接线图如图1所示。
|






