老电工经验之谈-告诉你该怎么识读电气原理图
时间:2023-03-07来源:佚名
|
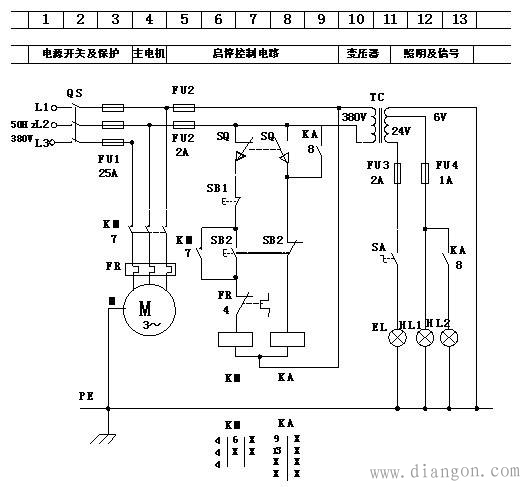
识读电气原理图是一名合格电工的基本功,今天本人就同大家聊一下该如何识读电气原理图。
根据电工基础理论知识,面对一张电气原理图时首先分出主回路(又称一次回路)和辅助回路(又称二次回路或控制回路)。然后先看主回路,再看辅助回路。阅看主回路可按照以下4步进行: 1、先看线路及设备的供电电源,在实际当中生产设备多采用380v,50HZ的三相交流电源,此时应看清电源引自何处; 2、识别主回路中用了几台电动机,并了解各台电动机的功能; 3、分析各台电动机的动作状况,着重注意它们的启动方式,是否有可逆、调速、制动等控制要求,并分析各台电动机之间是否存在制约关系; 4、了解主回路中所用的控制电器及保护装置,例如短路保护所用的螺旋保险、过载保护的热继电器等。
电工学习网付费原创稿件,转载必须注明出处和原文链接,违者必究。 |









