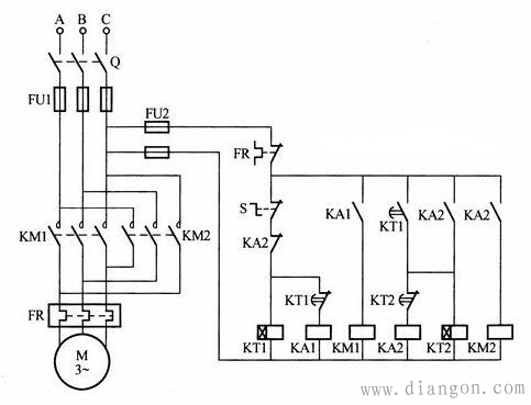
如下图所示是一种由一台电动机在规定时间范围内作连续可逆的正反方向运转的自动控制电路。图中用时间继电器KT1、KT2作时间控制元件,中间继电器KA1、KA2起中间控制作用。合上电源开关Q和旋转开关S,这时时间继电器KT1得电,中间继电器KA1得电吸合。接触器KM1得电并吸合,电动机作正向限时运转。
待延时时间到,时间继电器KT1常闭延时断开触点断开,使中间继电器KA1断电,其触点KA1断开,接触器KM1线圈断电,主触点KM1断开,电动机瞬时停止正转。

电动机正反转,限时自动往返(时间继电器)控制电路接线图
在时间继电器KT1常闭延时断开触点断开的同时,其常开延时闭合触点KT1闭合,反转中间继电器KA2暂时得电吸合,其常开触点闭合自锁,并使时间继电器KT2得电,反转接触器KM2得电并吸合,电动机作反向限时运转。
待延时时间到,时间继电器KT2的常闭延时断开触点断开,使中间继电器KA2断电,接触器KM2断电,电动机瞬时停止反转。由于中间继电器KA2的断电,其常闭触点复位,时间继电器KT1得电,中间继电器KA1吸合,KM1得电吸合,电动机又处于正向限时运转状态。
这样周而复始重复前面工作过程,使电动机在规定时间内作连续可逆运转。若需使电动机停止,可扳开旋转开关S,待KT2延时时间到,电动机停转。
本电路适用于在规定时间内作连续可逆运转的生产机械。