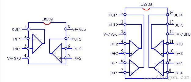
电压比较器内部含输入级、中间放大器和输出级电路,我们需要掌握的是输入端和输出端之间的关系,由此分析电路原理和找到故障检测方法。如前述,运算放大器开环应用时,即为(不太精确的)电压比较器。但放大器的比较特性并不理想,专业的设计和专业的性能需要由专业器件来保障,在应用到电压比较器的场所,大多还是采用专用的电压比较器。其中,集电极开路输出级(又称OC门输出级)型专用电压比较器的应用尤为广泛,在变频器电路中,通常用到的仅为14脚(四比较器)和8脚(双比较器)两种器件,其代表器件型号为LM339、LM393,引脚功能见图所示。本文专就这两种器件进行讲解。

图 电压比较器原理框图与引脚功能
8脚(双比较器)的引脚排列同8脚运放器件是相同的。14脚略有不同,输出端集中在1、2、13、14脚,供电端为3、12脚。剩余脚为输入脚,奇数脚为同相输入端,偶然脚为反相输入端。其引脚功能是不难记忆的。
电压比较器的供电脚特意标注为V /Vcc、V-/GND,说明其电源供给是较为灵活的,可以单电源供电,如 5V或 12V、 15V等,也可以双电源供电,如±15V、±12V等。