本文所提到的标号名称,根据品牌不同,可能有变动。如,本文提到开关接线柱的标号为“L,L1,L2”,在有些品牌中可能是“COM,L1,L2”,但具体用法不变。本文所涉及的接线柱位置,根据品牌不同,可能有变动,具体请以标号名称为准。 插座(五孔插座和三控插座) 家庭用到的插座多是五孔插座(12A)以及三孔插座(16A),其背面的接线柱相同,接法也相同。如用到地插,亦可在其背面找到这三个孔,但是排列位置有所不同。单开单控开关(面板只有一个键,一个开关控制一个灯)
 接所有开关时都需要注意,接入开关的线必须是火线,零线直接接在灯上。多开单控开关(面板上有多个键,每个键单独控制一个灯)
 以三开单控为例。下图中的接法代表了一类多开单控开关, 即只有一个进线接线柱。另有一类开关,每个出线柱都对应一个进线柱,即有多个L。此时只需把所有进线柱并联即可。
 一开五孔插座(面板上是一个开关和一个五孔插座)
 一开五孔插座有两种使用方式,一种是开关控制旁边五孔插座的通断,这种接法适用于插座长期接通充电器、电磁炉等小功率设备,如果是热水器等大功率用电器,则可能发生危险;另一种接法是开关单独控制电灯,这种接法适用于床头等空间狭小的地方。
 开关控制五孔插座——开关控制电灯—— 新型的一开五孔插座,开关对面对应3个接线柱,这样就形成了一个双控开关,更适用于床头。其接法请结合下文单开双控开关。
 二开五孔插座(面板有两个开关和一个五孔插座)
 单开双控开关(面板只有一个键,两个开关控制同一盏灯) 单开双控开关的正面与单开单控开关相同,但是背面是3个接线柱。
 单开多控开关
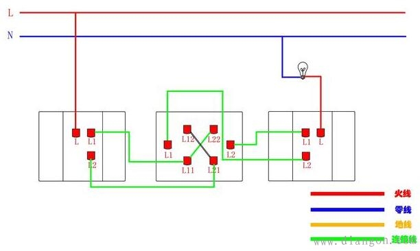
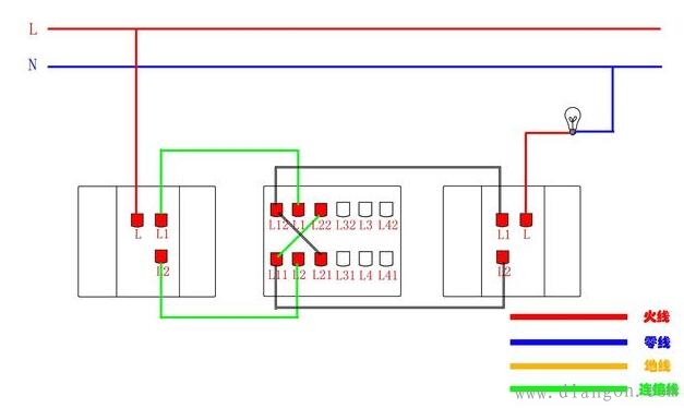
 多控开关是指3处及3处以上开关同时控制一盏灯。其背面有6个接线柱。使用时,需要与双控开关结合使用。下图以3控为例。双开多控开关(面板上有两个键,每个键都对应6个接线柱) 双开多控开关,每个键都可以单独作为一个多控开关使用。下图只给出了其中一个键的使用方法,另一个键与之相同。
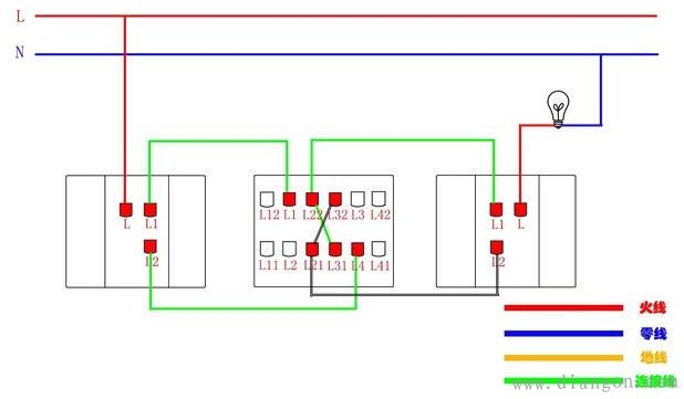
 多开多控开关(面板上有大于两个键) 这种开关实际上只有一个键是多控开关,其余键是双控开关或单控开关。
|