什么是支路、回路?什么是二次回路?
时间:2023-03-07来源:佚名
|
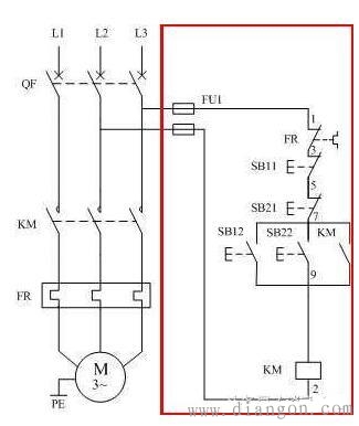
任何一本书籍或任何一部视频,哪怕是让一个老电工师傅向你口头传授,必然离不开“支路”、“回路”、“节点”这几个关键词。在学习之前,如果不先弄明白这几个词,就好像不认识加减乘除的符号却去研究数学一样。 而“二次回路”的概念,是供电系统中主要的研究内容。 什么是支路? 首先,支路的概念只存在于并联电路中,简单的串联电路没有这一说法。 与“支路”相对的概念,叫做“干路”。可以将电路想象成一棵树,各个树枝,在电路中叫做“支路”;而各个树枝结合的部分,就是树干,在电路中叫做“干路”。这棵大树,它的养分供给需要经从树干,分散到各个树枝上,电路中也是一样,电流在干路汇合,之后又分散到各个支路上。 与大树不同的是,电路中的每个支路,不能仅仅能够从干路获取能量(电源),有的支路自带能量(电源)。 我们把这种自带电源的支路称之为“有源支路”;把不带电源的支路称之为“无源支路”。统称为“支路”。 举个例子▼ 上图是一个最简单的并联电路,其中K1,P1与K2,P2并联,我们就可以把内外两个黑线的框叫做K1所在支路和K2所在支路。而把红线部分叫做干路。 由于上图中两个支路都有电源(P1,P2),因此这两个支路都是有源支路;若上图中只有P1一个电源,则K2所在支路就成了无源支路。 什么是回路? “回路”又叫做“闭合回路”,即该路必须是闭合的,能够让电流顺利通过的。 我们用一张图来了解支路和回路的区别 ▼什么是二次回路? 与“二次回路”相对应的是“一次回路”。 可以将其理解为对电路的二次加工,何为二次加工呢? 一颗花生,压榨成油,就是一次加工;再进行过滤,便是二次加工。 一次加工是花生油的主体,一次加工后得到了花生油,几乎不需要再次加工;但是经过了二次加工,即过滤后,花生油才变得香醇、干净。 电路中也是一样,一次回路是主回路,有了它设备就可以运转;但二次回路使得设备可以受到保护、得到监控、方便控制等。 举个例子▼ 上图中,红框内的部分,就是该电路的二次回路。红框外的部分,就是一次回路。 有了左侧部分,闭合开关QF时,电动机M即可运行(接触器常开触点KM属于二次回路)。但是有了二次回路,则可以对该电路进行两地控制。 二次回路中,又包括控制回路、测量回路、保护回路等,但这些功能通常集中在一起,因此很少能分得清。只在说到它的功能时,才单独使用这些名称。如上图,若是说它的控制方法时提到二次回路,可直接说控制回路。 |










