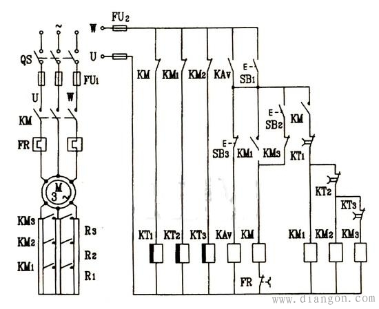
三相绕线转子电动机调速原理: 就是在转子回路串接电阻,启动时通过控制器或接触器逐步切除电阻,到最高档时电阻完全切除,也就是说在四档时,三组电刷被接触器触头短接,当然也就不会有电压了,此时转速最快.电阻一般为星形不平衡接法。 检修时用钳型电流表测量转子三相电流,电流有无,平衡否,大小.以此可判断转子是否断路,电刷,电阻,接触器是否正常。 为了限制启动电流并提高启动转矩,线绕转子异步电动机的启动可在转子电路中串接几级启动电阻或串入频敏电阻器。本文将讲述在三相绕线式电动机转子电路中串联电阻的启动控制电路,其线路图如下图所示。 工作原理是:合上电源开关QS后,时间继电器KT1、KT2余KT3接通,它们的延时闭合的常闭触点立即断开,使KM1,KM2,KM3暂时不会接通,以便电动机定子绕组加上额定电压启动时,转子电路中串接有启动电阻RI、R2与R3以限制启动电流并提高起动转矩。
 启动时,首先按下按钮SB1,接通欠电压继电器KAV,它的动合触点闭合,当电源电压严重降低或电路突然失电时,KAV的动合触点断开对电动机起保护作用,然后按下按钮SB2,接通线路接触器KM,电动机定子绕组加上额定电压启动。KM在控制电路里的动断辅助触点断开,时间继电器KT1断电,它的延时闭合的常闭触点等一段时间闭合,接触器KM1接通,切除电动机转子电路串接的启动电阻R1。这时,电动机在转子电路里只有启动电阻R2与R3的人为特性上运行,继续加速. 接触器KM1接通以后,它的动断触点断开,使时间继电器KT2断电,它的延时闭合的常闭触点等一段时间闭合,接通接触器KM2,又将电动机转子里的启动电阻R2切除了,电动机在只有电阻R3的人为特性上运行,继续加速。接触器KM2接通以后,它的常闭触点断开,时间继电器KT3断电,它的延时闭合的常闭触点等一段时间闭合,使接触器KM3接通,将启动电阻R3切除。至此,电动机转子电路无外加电阻,运行于自然特性上。启动过程到此结束。
|