电动机正反转,看似只是一张简单的电路图,但其实里面包含了多种电工常用知识。因此这张图常常当作电工入门教学之用,或者说,此图是许多电工的启蒙教材。今日拿来与对电工感兴趣或刚入行的电工朋友分享。
此图直接拿来使用的情况也很多,比如起重机、卷扬机、车床、电梯等。凡是需要做往返动作的机器,几乎都需要用到正反转。科技发展到今天,很多机械实现了自动化,如数控车床等,都是使用plc控制,但需要知道,PLC在编程过程中,程序员必须清楚其机械控制原理,才能在编程时通过控制电路通断来实现控制功能。有机会我们会向大家分享控制电动机正反转的PLC控制程序,但在学习PLC之前,学习其机械原理是绝对必须的。
电动机正反转控制原理图中,涉及到的知识点有:1.电动机转动方向变换原因;2.电路保护装置;3.按钮和接触器的元件原理;4.自锁与互锁;5.机械互锁的用处。
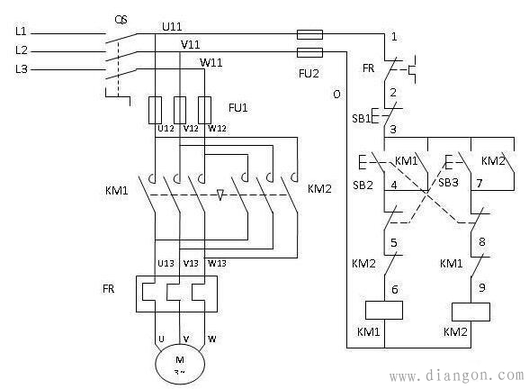
电动机正反转电路图(下文简称图1)▼

在这张图中,左侧是主回路,实际上就是给电动机提供了一个电源;右侧是控制回路,或者叫“二次回路”(控制回路属于二次回路),是通过利用按钮和接触器的特点对电路进行控制的。
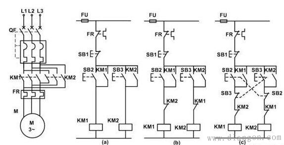
为了方便对各方面知识的逐步理解,我们将电路图拆分,于是就有了下面这张图(下文简称图2)▼

电动机转动方向变换原因
最左侧的电路图,与上面那张完整电路的主回路是相同的,右侧的a,b,c三张图我们会在之后讲解。此处我们先来看主回路,从KM1和KM2可以看出,之所以电动机能够变换转动方向,是由于此处改变了电动机三相电的顺序。即当KM1闭合时,电动机从左至右的三相为L1,L2,L3;当KM2闭合时,电动机从左至右的三相为L3,L2,L1。下文中,均规定L1,L2,L3的顺序为正向。
电路保护装置
严格意义上来讲,包括自锁和互锁,都有对电路的保护作用,此处只说保护元件。
从图1中可以更直观的看出,电路中有一个2P的熔断器FU2和一个3P的熔断器FU1以及一个热继电器FR,二者都为电路提供过载保护。
按钮和接触器的原理
按钮和接触器是电气控制中用到最多的元件,在该图中更是主要角色。
按钮分为启动按钮和停止按钮,启动按钮在平时是断开状态,按下时闭合,松开后恢复,停止按钮正好相反。如果仔细观察图1的控制回路可以发现,图中SB1是停止按钮,但是SB2和SB3看起来有点奇怪,看似启动按钮,但下面却画了两条虚线通向旁边回路的常闭触点。(http://www.gdzrlj.com/版权所有)其实这里的SB2和SB3是两个特殊的按钮——机械互锁按钮。其特点是有常开、常闭两个触点,按下按钮后常开触点闭合,常闭触点断开。
接触器中有线圈、常开触点和常闭触点,在电路图中的代号均为KM。其特点是当线圈断电时,常开触点断开,常闭触点闭合;通电后,常开触点闭合,常闭触点断开。
自锁与互锁
我们来看图2a的控制回路,此时按下SB2,线圈KM1通电,此时接触器常开触点KM1闭合,因此当松开SB2时,电动机依然可以正转——自锁。
但是此时有一个问题,即电动机正转过程中,按下SB3,会导致短路事故(主回路中接触器常开触点KM1和KM2同时闭合,导致短路)。因此图2a是一种错误接法。
我们为了避免这种短路,就引用了图2b这种接法。在此控制回路中,当电动机正转时,由于接触器线圈KM1通电,常闭触点KM1断开,因此即使在此时按下SB3,电路也不会有任何反应——互锁。
机械互锁的作用
事实上,图2b的控制方法已经可以实现电动机的正反转,但是麻烦的是电动机正转切换反转时,必须按下停止按钮SB1才能继续按SB3。因此,为了操作方便,我们又引入了机械互锁按钮,做成了图2c的电路。
在此图中,按下SB3,可以直接断开SB2,使电动机进行反转。
电动机正反转实物图▼

在使用图1或图2c的电路时,要注意使用场所,在一些电动机正转过程中,不能直接进行反转的场合下,此电路则不适用,以免发生危险。