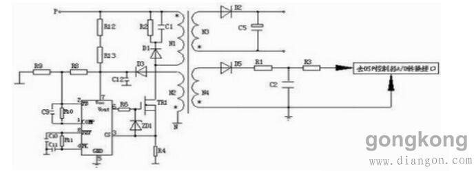
对调试人员在伺服驱动器调试过程当中经常出现的过压过流问题做出分析,有助于尽快找到故障点,让设备运行正常。 驱动器调试过程过电压过电流是两个比较常见的故障,下面就这两个故障做些分析,更好的帮助调试人掌握故障的基理及产生的原因,能够较快的了解故障点排除故障,让设备能尽早投入运行。 一:过电压故障,这里所指的电压常指直流母线电压,图一是常见市场驱动器主回路电路,P和N之间的电压就是直流母线电压。
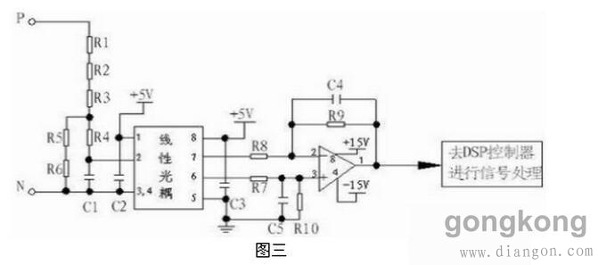
 图一 直流母线电压的读取,驱动器CPU无法读取很高的电压,所以必需得通过电路转化将高电压转化为CPU可以读取的低电压,常见的有变压器输出读取法和电阻降压读取法,见图二,图三。

 从上述原理图分析,过电压产生第一种是种种原因造成的驱动器C和D之间电压高于额定电压,在过电压发生时,直流母线的储能电容将被充电,当电压升至760V(此值有些驱动器可调)左右时,驱动器过电压保护动作,第二种情况是检测电路出现故障,正常的电压值被检测电路读成过电压或读成欠电压。 直流母线电压过高主要有以下原因,第一种输入电压过高所致,第二种减速时减速时间过短,电机受外力影响(风机,牵绳机)或位能负载(电梯,起重机)下放,由于这些原因,使电机的实际转速高于驱动器的指令转带,这时电机的转差率为负,其产生的电磁转矩为阻碍旋转的制动转矩,电动机处于发电状态,负载的动能再生成为电能,再生能量经IGBT的续流二极管动后给电容器充电,使直流母线电压上升,这就是再生过电压, 应用调试中过压问题的解决,由于过电压产生的原因不同,因而采取的对策也不相同。对于在停车过程中产生的过电压现象,如果对停车时间或位置无特殊要求,那么可以采用延长驱动器减速时间或自由停车的方法来解决。如果对停车时间或停车位置有一定的要求,那么可以采用直流制动功能或再生制动。 应用调试中如果直流母线电压正常,而驱动器报过压或欠压故障,这时候就是考虑驱动器本身问题,是否检测电路哪个环节出现问题而造成,可以对电压检测电路有针对性的进行检测排除。 二:过流故障:驱动器的过流故障是最常见也是较复杂的故障,当过流故障发生时,驱动器保护电路会立即动作并停机,同时驱动器显示故障代码或故障类型。大多数情况下可以根据驱动器显示的故障代码迅速找到故障原因并排除故障,但也有一些过流故障的原因是多方面的,并不是单一的,而是包含了加速、减速、恒速过流、负载发生突变、输出短路等各种可能导致过流护的因素。下面分析驱动器过流故障原因以及提出过流故障处理方法。驱动器过流内部电路分析,如图四是一款典型的IGBT驱动保护电路,14脚监视IGBT饱和压降,当脚14检测到IGBT集电极上电压≥7V时,而不管输入驱动信号是否继续,11脚输出都将被强行关断。同时第6脚输出过流故障信号给CPU。图五是另一种过流检测电路,用的是比较运放电路,当通过传感器检测到的电流信号与一标准信号作比较,而判断是否过流。
 图四
 图五 根据驱动器显示屏显示,过流原因有以下几方面: (1)驱动器工作中过流,即电机拖动系统在工作过程中出现过流,其原因大致有以下几方面: a.电动机传动机构出现“卡住”现象或遇到冲击负载,电动机工作电流突然增加而出现过流。 b.驱动器输出端短路,如输出端连接线发生相互短路,或电动机内部短路、接地(电机绕组烧毁、绕组绝缘劣化、电缆破损而引起的短路)等,驱动器输出端电流大增而出现过流。 c.驱动器本身工作异常,如逆变桥中同一桥臂的两个逆变器件在交替的工作中出现不正常。 如环境温度太高或逆变器元器件老化等原因,使逆变器的参数发生变化,导致在交替过程中, 一个器件却还未来得及关断,而另一个器件已经导通,引起同一个桥臂的上、下两个器件“ 同时导通,使直流电压的两极间处于短路状态,使驱动器内部电流大增而过流。 (2)驱动器升速或降速时过流。 如果负载的惯性比较大,而驱动器设定升速时间或降速时间太短时,就会引起过流。在升速过程中,如果驱动器工作频率上升太快,电动机的同步转速也迅速上升,而电动机转子的转速因负载惯性比较大而跟不上去,结果就会使升速电流太大,引起驱动器过流保护;在降速过程中,如果驱动器设定降速时间太短,电动机的同步转速迅速下降,而电动机转子因负载的惯性大,电动机转速仍维持较高的状态,这时转子绕组切割磁力线的速度太大而产生过流, 引起驱动器过流保护。 (3)驱动器一通电或者一开始运行就出现过流。这种过流保护一般是因驱动器内部故障引起的,如果负载正常,驱动器还是出现过流保护,大部分是过流检测电路引起,如电流检测电路、取样电阻或传感器等。 驱动器过流故障的检查步骤:第一,确定负载是否符合正常运行条件;第二,确定驱动器自身是否正常;第三,确定驱动器的设置参数是否与加减速过程或负载运行的工艺条件匹配;第四,确定驱动器接线是否正常。 过流故障处理方法,驱动器显示过流故障,有二种类型:一种是运行过程中出现过流故障显示;另一种是驱动器接通电源后就显示过流故障,或运行停止后仍出现过电流故障显示,并且不能复位。运行过程中驱动器出现过流故障显示,在确认驱动器运行电流和实际电流相同时,多半是外部原因或设置参数不合理引起的。例如电动机电缆损坏或电动机线圈相间、对地短路引起的电动机侧端子短路;电动机过负载非常严重引起过电流;加速或减速时间设置过短,驱动器在加速或减速过程中,由于负载电流过大,出现驱动器过电流显示等等。电机自学习参数及编码器零位是否正确,都将影响电机运行的电流大小,这些过电流故障当外部故障排除后,按复位按钮就能复位,或自动复位,驱动器是正常的。另一种是驱动器接通电源后就显示过流故障,驱动器自动停止运行后,过流故障无法复位,是假过流故障:因为驱动器是在根本没有输出电流的状况下,而显示过流故障的。这是驱动器的电流检测保护电路出了故障:通常是由于电流取样器件,如取样电阻、电流互感器及霍尔元件损坏或参数值改变,放大电路损坏和比较电路运行不正常等等引起的。修理时可以从这些环节上去检查、分析和找出故障点。 三、结论:结合自身驱动器电路特点,结合实际工况条件,在调试过程当中可以有的放矢,能较快了解问题点,快速解决故障。
|