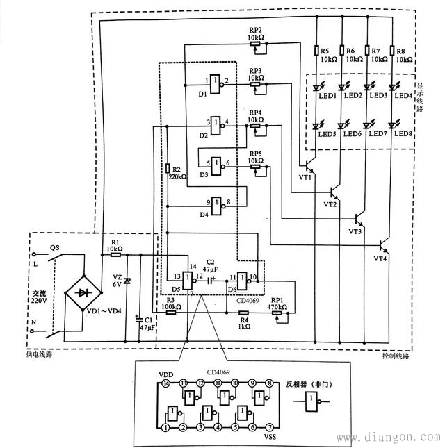
LED广告灯控制线路是一种可用于小区庭院、马路、景观照明及装饰用的线路。LED广告灯控制线路是采用LED作为显示设备的线路,通过逻辑门电路控制不同颜色的LED有规律地亮灭,起到广告警示的作用。 下图所示为典型LED广告灯控制线路。
 LED广告灯控制线路主要是由供电线路、控制线路以及显示线路等构成的。 该线路中电源总开关QS、桥式整流电路VD1~VD4、六非门电路CD4069、驱动晶体三极管VT1~VT4、发光二极管LED1~LED8为核心元器件和部件。 LED广告灯控制线路的供电过程为: 合上电源总开关QF,接通交流220 V市电电源。 交流220 V 市电电压经桥式整流电路VD1~VD4整流后输出直流电压,为显示线路进行供电。 整流输出的直流电压,经电阻器R1降压、稳压二极管VZ稳压、滤波电容器C1滤波后,产生6 V直流电压,为六非门电路C04069提供工作电压(4脚送入)。 LED广告灯的工作过程为: 六非门电路CD4069工作后,D5与D6两个非门(反相放大器)与电容、电阻构成脉冲振荡电路,由10脚和13脚输出低频振荡信号。 低频振荡脉冲加到CD4069的9脚,经电阻器R2后加到3脚上。 由9脚输人的振荡信号经反相后,由8脚输出,一路再送入1脚中。 从图可见,振荡信号经4个非门的处理分别由2,4,6,8脚输出相位和时序不同的脉冲信号,并分别加到VTI~VT4的基极。当有正极性脉冲加到晶体三极管基极时,该管便会导通,相应的LED便会点亮发光,从而形成有规律的闪光。 六非门电路CD4069的5脚输入的振荡信号经反相后由6脚输出(此时输出的振荡信号与4脚输出的相反)。 振荡信号经电位器RP5送往驱动晶体三极管VT4的基极,使VT4工作在开关状态,从而交替导通。 振荡信号为高电平时VT4导通,发光二极管LED4和LED8便会发光;振荡信号为低电平时VT4截止,发光二极管LED4和LED8·便会熄灭。 此时LED3和LED7、LED4和LED8在振荡信号的作用下,便会交替地点亮和熄灭。
|