电气控制线路前沿知识:电气控制线路读图与识图方法
时间:2023-03-07来源:佚名
|
电气控制电路图能充分表达电气设备的用途、作用和工作原理,是电气线路安装、调试和维修的理论依据。在生产实践中,安装电工与维修电工等人员都要接触到各种各样的电路图。这些电路图有的比较简单,有的很复杂。笔者在多年的教学实践中积累了一些识图经验。
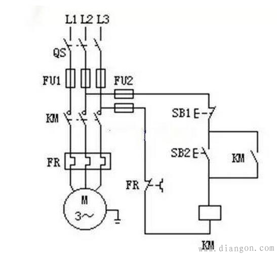
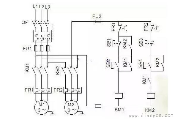
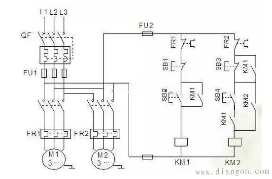
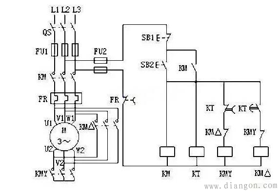
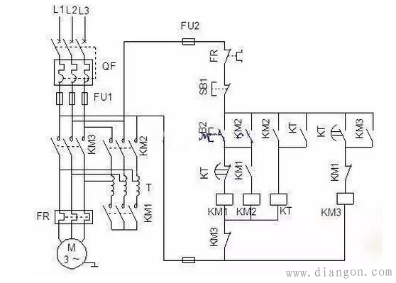
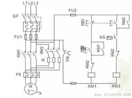
(1)阅读产品使用说明书 在看图之前应首先了解设备的机械结构、电气传动方式、对电气控制的要求、电动机和电气元件的大体布置情况及设备的使用操作方法,各种按钮、开关、指示器等的作用。此外还应了解使用要求、安全注意事项等,对设备有一个全面完整的认识。 (2)看图纸说明 图纸说明包括图纸目录、技术说明、元器件明细表和施工说明书等。识图时,首先要看清楚图纸说明书中的各项内容,搞清设计内容和施工要求,这样就可以了解图纸的大体情况和抓住识图重点。 (3)看标题栏 图纸中标题栏也是重要的组成部分,它告诉你电气图的名称及图号等有关内容,由此可对电气图的类型、性质、作用等有明确认识,同时可大致了解电气图的内容。 (4)看框图 读图纸说明后,就要看框图,从而了解整个系统的组成概况、相互关系及其主要特征,为进一步理解系统的工作原理打下基础。 (5)看主电路图 看主电路图时,通常从下往上看,即从用电设备开始,经控制元件、保护元件依次看到电源。通过看主电路,要搞清楚用电设备是怎样取得电源的,电源是经过哪些元件到达负载的,这些元件的规格、型号、作用是什么。 (6)看控制电路 应自上而下、从左向右看,即先看电源,再依次看各条回路.分析各条回路元器件的工作情况及其对主电路的控制关系。看控制电路时,要搞清电路的构成、各元件间的联系(如顺序、互锁等)及控制关系和在什么条件下电路构成通路或断路、控制电路是如何控制主电路工作的,从而搞清楚整个系统的工作原理。 (7)看接线图 接线图是根据电路原理图绘制的,要对照原理图来读接线图。 先看主电路,再看控制电路。看接线图要根据端子标志、回路标号,从电源端顺次查下去,搞清楚线路的走向和电路的连接方法,即搞清楚每个元器件是如何通过连线构成闭合回路的。读主电路时,从电源输入端开始,顺次经过控制元器件、保护元器件到用电设备,与看电路原理图时有所不同。 看控制电路时,要从电源的引入端,经控制器件到构成回路同到电源的另一端,按元器件的顺序对每个回路进行分析。接线图中的回路标号(线号)是电气元件间导线连接的标记,标号相同的导线原则上都可以接在一起。由于接线图多采用单线表示,因此对导线走向应加以辨别。此外,还要搞清端子排内外电路的连线,内外电路的相同标号导线要接在端子排的同号接点上。 总之,电路原理图是电气图的核心,对一些小型设备,电路比较简单,看图相对容易,但对一些大型设备,由于电路比较复杂,读图难度较大。不论怎样,都应按照由简到繁、由易到难、由粗到细的步骤分步看图,直到完全搞清楚为止。 先识机,后识电先识机,就是应该先了解生产机械的基本结构、运行情况、工艺要求和操作方法,以便对生产机械的结构及其运行情况有总体了解。后识电,就是在识机的基础上进而明确对电力拖动的控制要求,为分析电路做好前期准备。例如,在给学生讲解识读国产CA6140型普通卧式车床电路图时,笔者先组织带领学生到工厂或实习车间参观各种型号的普通卧式车床,让学生了解车床是由床身、主轴箱、进给箱、溜板箱、刀架、丝杠、光杠、尾架等部分组成的。对车床的结构了解后,再让学生知道车床的运动形式,使学生明确主轴带动工件的旋转运动是主运动,车刀的直线运动是进给运动。机动进给运动也是由主轴电动机经过主轴箱传给进给箱,再通过光杠或丝杠将运动传入溜板箱,溜板箱带动刀架作纵横两个方向的进给运动。这时,教师可以将拖板用手移动到床身的最右边,并提出问题:这样操作效率是否太低了?学生回答之后,教师再告知学生:为了提高劳动生产率,减少辅助时间,设置了刀架快速电动机。教师可以给学生演示刀架的快速移动是由快速电动机点动控制的,刀架运动的方向由操作手柄控制。通过这种方式可使学生产生好奇心,从而激发求知欲望。在车削加工时,由于刀具及工件温度过高,有时需要冷却,因而应该配有冷却泵电动机。教师应该在全面演示车床的操纵过程后,再指导部分学生进行车床操纵练习。学生对CA6140型车床的基本结构和运行情况了解后,对电力拖动的控制要求就明确了。教师可以先让学生回答电力拖动的特点和控制要求,然后再给出答案。在讲解Z37型摇臂钻床、M1432A型万能外圆磨床及X62W型万能铣床等各种机床电路图时,应先组织带领学生到工厂和实习车间去参观、了解各种机床的结构组成,让学生知道各种机床的运动形式。必要时还可以让学生进行简单的操纵练习。这样,学生就能够明确各种机床电力拖动的控制要求了。然后,教师在课堂上讲解各种机床电路的工作原理。这种教学模式可以使学生明确识图思路,很容易读懂电气控制电路图,从而提高识图能力。 先识主,后识辅先识主,就是从主回路开始识图。首先,要看清楚设备由几台电动机拖动,各台电动机的作用,结合加工工艺分析电动机的启动方法,有无正反转控制,采用何种制动方式。其次,要弄清楚用电设备是由什么电气元件控制的。有的用刀开关控制,有的用接触器或继电器控制。再次,了解主电路中其他元器件的作用,通常主电路中除了用电器和控制用的接触器与继电器外,还有电源开关、熔断器及保护电器。最后,看电源。看主电路电源是380V,还是220V。主电路电源是由母线汇流环供电或配电屏供电的。后识辅,就是识读辅助电路时应从主电路入手,根据每台电动机、电磁阀等执行电器的控制要求去分析它们的控制内容。控制内容包括启动、方向控制、调速控制和制动控制等。由于有各种不同类型的生产机械设备,其电路图中的辅助电路也各不相同。辅助电路包含控制电路、信号电路和照明电路。例如,笔者在给学生讲解国产X62W型万能铣床电路图时,也是先组织学生到工厂或实习车间了解铣床的结构组成、运动形式,让学生明确了电力拖动控制要求。回到课堂后,再给学生讲解电路工作原理。教师应具备在黑板上绘图的能力。例如,根据铣床的控制要求,引导学生进行主电路的识读。主电路共有三台电动机:(1)M1是主轴电动机,拖动主轴带动铣刀进行铣削加工,由KM1接触器控制启动和停止,由倒顺开关SA3作为M1的换向开关。笔者引导学生分析的同时把控制主轴电动机的主电路画在黑板上。(2)M2是进给电动机,进给电动机用来拖动工作台前后、左右、上下6个方向的进给运动和快速移动,其正反转由接触器KM3和KM4控制。同时将控制进给电路机的主回路在黑板上画出来。(3)M3是冷却泵电动机,用来供应冷却液,当M1启动后,M3才能启动,用手动开关SQ2来控制,将控制冷却泵电动机的主电路画出来。三台电动机共用熔断器FU1作短路保护,三台电动机分别用FR1、FR2、FR3作过载保护,将保护元件补画齐全。教师边讲解边画图的方式引导学生识图,使学生容易接受和理解。在识读完主电路后,再引导学生识读控制电路。识读控制电路时应从主回路入手,因为主轴电动机M1采用两地控制方式,所以两地的启动按钮并接在一起,两地的停止按钮串接在一起。笔者从控制变压器二次侧开始画出主轴电动机的控制回路。边讲解边将进给电动机的控制回路依次画出,最后再把照明电路和信号显示电路画出来。笔者用这种教学方式给学生讲解识读各种机床电路,使学生读懂电路图。 化整为零,识读各局部电路任何复杂电路都是由一些基本环节电路组成的。因此,掌握基本环节电路的工作原理是掌握机床电气运行、安装和检修的基础。分析控制电路可根据主电路中各电动机和执行电器的控制要求,逐一找出控制电路中的控制环节,将控制回路化整为零地进行分析。如果控制电路较复杂,则可先排除照明或显示等与控制关系不密切的电路,以便集中精力进行分析。分析控制电路的过程是:首先,看控制电源是交流还是直流,从何处接入及其电压等级。控制电源一般是从主电路的两条相线接入,其电压为380V;也有从主回路的一条相线和零线上接入,其电压为220V;此外也有从专用隔离电源变压器接入,常用的电压有110V、36V、24V、12V和6V等。其次,看辅助电路是如何控制主电路的。在复杂的辅助电路图中,整个辅助电路构成一条大回路。在大回路中又分成几条独立的小回路,每条小回路控制一个用电器或一个动作。当某条小回路形成闭合回路有电流流过时,在回路中的接触器或继电器动作,把电动机接入电源或切除电源。再次,研究其他电器设备和电器元件,如整流设备、照明灯等,要了解它们的线路走向和作用。例如,笔者给学生讲解识读M1432A型万能外圆磨床电路时,首先,指导学生分析控制回路电源,使学生知道控制电源是由控制变压器TC将380V交流电压降为110V、24V和6V,110V电压供给控制回路,24V供给照明电路,6V作为信号电路的电源。其次,根据M1432A型万能外圆磨床的控制要求引导学生分析识读控制回路是如何控制主回路的。因为主回路中有五台电动机,所以整个控制回路中有五条独立的小回路。如果将整个控制回路分成五个局部控制电路来分析识读,那么就使识图简单化了。教师先指导学生分析识读每条小回路形成闭合回路时,各接触器或继电器是如何把电动机接入电源或从电源切除。教师应将每个局部控制电路都给学生讲解清楚。最后,再指导学生识读与控制电路关系不密切的磨床照明灯和指示灯电路。 集零为整,统观全局,总结特点经过化整为零初步分析了每个局部电路的工作原理以及部分之间的控制关系之后,必须用“集零为整”的方法,检查整个控制电路,看是否有遗漏。特别要从整体角度进一步检查和理解各控制环节之间的联系,理解电路中每个电气元件的作用。在识图过程中还应统观全部电路,观察局部电路之间的关系,电路中设有哪些保护环节,以便对整个电路有清晰的了解。对电路中的每一个回路、电器中的每一个触点的作用都应了解清楚,为总结特点做准备。电路中一切电气元件都不是孤立的,而是互相联系、互相制约的。在电路中有用电气元件A控制电气元件B,甚至有用电气元件B去控制电气元件C。这种互相制约的关系有时表现在同一个回路,有时表现在不同的几个回路中。(http://www.gdzrlj.com/版权所有)例如,在指导学生分析识读CA6140型车床电路时,当控制主轴电动机的接触器KM1通电吸合后,KM1辅助触头闭合,这时控制冷却泵电动机的接触器KM2才能得电,实现由电气元件KM1控制电气元件KM2。又如,分析识读X62W型万能铣床电路时,当控制主轴电动机的接触器KM1得电吸合后,KM1常开触头闭合,控制工作台进给电动机的接触器KM3和KM4才能获得电源。上述两个实例就是顺序联锁控制的典型。还有X62W型万能铣床,进给电动机需要正反转控制。因此,控制进给电动机的两个接触器KM3和KM4的常闭触点要互串线圈电路相互制约,保证两个接触器不能同时工作。M1432A型万能外圆磨床,控制头架电动机高低速的两个接触器和控制内、外圆砂轮电动机的两个接触器都需要相互制约,保证两个接触器不能同时工作。这种互相制约的控制关系就是电气互锁,又叫电气闭锁。在集零为整、统观全局识读完各种机床电气控制电路图后,应该将电路中是否存在顺序联锁控制及电气互锁控制等给学生总结出来。 电力拖动是指用电动机拖动生产机械的工作机构使之运转的一种方法。它包括电源,电动机,控制设备,传动机构。要想机械完成一定的工艺,就要求电动机按工艺要求完成不同的旋转方式,用某一种线路连接控制设备使之达到要求,这些线路就是电力拖动控制线路。 它包括有:点动线路,连续运转电路,正反转电路,多地控制线路,降压启动线路,多速异步电动机控制线路,位置控制线路等。这些都是电力拖动控制线路。 1、电动机连续运转控制原理图 2、电动机点动控制原理图 3、接触器控制的正反转电路 4、双重联锁正反转控制电路 5、自动往返控制电路原理图 6、多地控制 7、顺序控制—先启后停 8、顺序控制—先启先停 9、三相笼型异步电动机定子绕组串电阻起动 10、Y—△降压起动控制 11、自耦变压器降压启动 12、电动机耗制动控制电路的原理图 13、单向反接制动控制电路 以上所介绍的电气控制电路图的识图思路是笔者在多年教学中经常应用的教学方法。在教学中应针对实际情况灵活运用,以调动学生的学习积极性,突出学生的主体地位,培养学生分析、解决问题的能力及识图、画图能力。 |


















