电压互感器短路试验方法
时间:2023-03-08来源:佚名
|
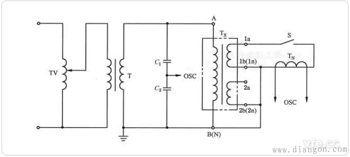
电压互感器应该按照国标要求对其进行短路承受能力测试,试验线路可选择下图1所示二次短路测试接线方式或图2所示一次短路测试接线方式。电压互感器短路测试试验前,应当先对被试互感器的阻抗测量,以此估算短路电流,以便选择合适的测量电流传感器,保证试验安全可靠进行。
图1:互感器短路承受能力试验——副边短路 TV——调压器;TN——测量用标准电流互感器;T——升压变压器;TX——被试互感器;C1、C2——电容分压器;AB(N)——一次绕组端子; OSC——示波器;1a、1b(1n)、2a、2b(2n)——二次绕组端子;S——开关
图2:互感器短路承受能力试验——原边短路 TV——调压器;TN——测量用标准电流互感器;T——升流器;TX——被试互感器; V——峰值电压表(读书除以^2);AB(N)——一次绕组端子; OSC——示波器;1a、1b(1n)、2a、2b(2n)——二次绕组端子;S——开关 电压互感器短路测试中可在被试互感器的一次绕组末端B(N)与地之间接一低阻值标准电阻,满足一次短路电流容量需求,由标准电阻取样信号来测量被试互感器一次短路电流值。 短路承载能力试验中施加的电压不低于额定电压值,施加试验电压应通过计算或先施加1/3~1/2试验电压,时间小于0.5s,先以此推算出压降(以保证短路后施加的电压等于或略高于额定电压值)。同时,对于多个二次绕组的互感器,应当在短路阻抗最小的绕组上进行试验。 |










