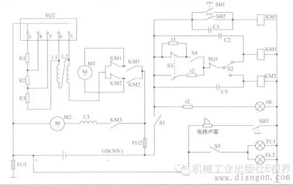
蓄电池铲车是车站、码头、仓库及一般工厂中常用的一种堆垛和搬运工具。 图所示为一吨蓄电池铲车电气控制电路。GB为蓄电池串联组成的30V直流电源。电动机M1为行驶电动机,是双速串励电动机,通过一套齿轮传动机构驱动铲车前进或后退行驶。电动机M2也是串励电动机,用于拖动高压油泵,将高压油液输送到液压系统,以操纵货叉的升降。
 图 蓄电池铲车电气控制电路 S1为电锁开关,S2为方向开关,SQ1为脚踏开关,SQ2为速度控制器踏板。 铲车的起动和调速时将电锁开关S1闭合,此时电源指示灯HL亮,表示电源已接入电路,做好供电准备。 将方向开关S2的手柄扳到需要的方向,即铲车前进或后退的位置。松开手驻车制动的手柄,并放开制动踏板,使脚踏开关SQ1复位而闭合,然后轻踏速度控制器踏板SQ2,使其动触头与静触头“0”相接触,使控制开关S3闭合。
|