顺序启动逆序停车控制原理
时间:2023-03-08来源:佚名
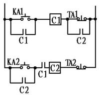
|
很简单:如果是用两套按钮控制就如下: 一、分别用两套起动、停机电路控制各自的电机 二、在M2控制回路中串入C1的常开触头,实现只有先开M1才能后开M2 三、在M1停机按钮上并联一只C2的常开触头,实现只有先停M2才能后停M1 我只画了控制电路未画主电路,你看一看分析一下就知道我这是最简电路了。 如果只用一套按钮控制就更简单了: 一、开机按钮串联在C1回路中,停机按钮串联在C2回路中; 二、在开机按钮上并联一只C2常开触头,以实现M2先停M1后停; 三、在C2回路中串联一只C1常开触头,以实现M1先开M2后开。 |







