负电压电源设计
|
负电压设计根据不同的负载电流有很多不同方案,以下是给出几种目前市面比较常见的负压方,可以根据不同用于场合使用合适的方案。 一、工频变压器输出正负电压
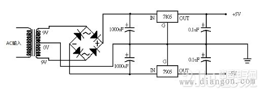
图1工频变压器正负输出电源 各位看到图1的电路是否有很强的亲切感,是否能想起大学时接触电子设计时的情景?此经典电路优点比较明显,电路结构简单、极低干扰噪声、稳定性好;同时此电路也有缺点,输入交流电范围窄(一般是220VAC±5%),体积重量大;虽然此电路缺点明显目前还有一些应用采用此方案设计。此方案主要是利用变压器产生负电压在通过线性稳压器7905进行稳压。 二、电源模块输出负电压 由于电子元件制造工艺技术越来越好,能量损耗越来越低,这样一来越来越有利于电源的模块化发展。而且在设计上也能做到小型化,轻型化设计。 1、非隔离负压输出负电压
图2非隔离稳压输出模块
图3非隔离模块的正输出与负输出接法 如图3所示,此电源模块应用与常用的LM7805类似,而且不需要安装散热片。如上图,我们需要正负电压给运放等供电时,只需要两个ZY78xxS-500电源即可实现。 2、隔离电源模块输出正负电压
图4隔离电源模块正负双路输出
图5E_URADD-6W电源典型应用 在电力、工业、通讯等对抗干扰性能要求较高的场合,一般需要对电源进行隔离处理来隔离从总电源端的干扰。此种应用时如果需要用到负电压,可以直接采用隔离电源模块直接输出正负电压给系统供电。 三、Buck-Boost拓扑设计输出负电压 除了采用隔离模块方案,我们还可以选择芯片自己设计负压电路,此处我们介绍一下较容易设计的非隔离负压输出Buck-Boost电路。如图6此电路只需要主控芯片、电感、电容等芯片,目前MPS的DC-DC电源芯片都支持Buck-Boost的设计结构,可以根据不同输出电流选择合适型号。
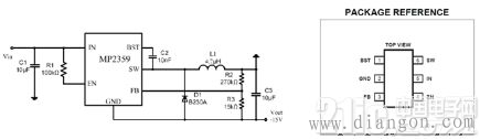
图6Buck-Boost拓扑原理 从图6的拓扑中可以看出输入电压与输出电压极性是相反的,因此Buck-Boost拓扑结构又简称为倒相拓扑。图7是采用MP2359DT设计的-15V电源电路,MP2359DT是采用SOT23-6的封装,整个电路占用PCB面积较小。
图7MP2359负电压输出电路 负电压设计方案多种多样,哪一个方案适合你的设计,还是需要综合考虑不同应用、不同技术要求而定。 |









