三相交流电机简单起动系统plc梯形图编程实例

时间:2023-03-08来源:佚名
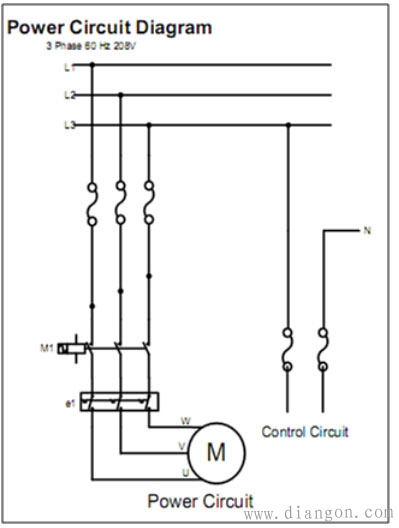
起动器具有开始和停止开关。两个开关都瞬时接触开关。启动开关是常开和停止开关是常闭。输出继电器,C1,控制3相供应到电动机。该电机具有停止,运行指示灯。

三相交流电机简单起动系统plc梯形图编程实例
电机启停plc线路图
PLC输入时所需的数
X1-启动开关(NO)
X2-停止开关(NC)
PLC输出所需的数
Y0~电机继电器
Y1~电机运行灯
Y2~电机停止指示灯

三相交流电机简单起动系统plc梯形图编程实例
plc编程梯形图
PLC编程梯形图描述
当启动按钮按下电机继电器M1打开并锁定,RUN灯将点亮。当停止按钮按下锁存器打开和电机继电器因此电机停止运行。

相关阅读

热销商品

加厚abs安全帽电工建筑工地程施工领导监理透气防砸头盔可印字V型

这款加厚ABS安全帽专为电工、建筑工地施工人员、领导及监理设计,采用高强度ABS工程塑料,抗冲击、防砸性能优异,有效保障头部安全。帽体加厚设计,增强耐用性与防护等级...
5.8

欧普led筒灯3w孔灯超薄桶灯吊顶天花灯过道嵌入式洞灯客厅5w

欧普LED筒灯是一款高品质嵌入式照明产品,适用于客厅、过道、吊顶等多种场景。采用优质LED光源,提供3W和5W两种功率选择,光线柔和均匀,显色指数高,有效还原真实色彩。超...
7.45

水口钳高硬度模型剪钳电子钳工业级口水剪斜嘴钳偏口斜口专用钳子

水口钳高硬度模型剪钳是一款工业级精密工具,专为电子、模型制作及精细作业设计。采用优质高碳钢材质,经热处理工艺打造,具备卓越的硬度和耐磨性,可轻松剪切金属引脚、...
4.8

170电子剪钳II 如意斜口钳 工业斜嘴钳水口钳 模型剪塑胶钳尖嘴钳

170电子剪钳II如意斜口钳是一款专业级精密工具,集工业斜嘴钳、水口钳、模型剪、塑胶钳与尖嘴钳功能于一体,适用于电子维修、模型制作、手工艺及精密作业。其采用优...
4.5

安全帽国标工地加厚施工领导透气安全头盔建筑工程监理免费印字

本款安全帽严格遵循国家GB 2811-2019标准,专为建筑工程、工地施工及监理人员设计。采用高强度ABS工程塑料,加厚壳体有效抗冲击,保障头部安全。帽体轻盈透气,内置可调...
10

网站栏目