先动作优先电路plc梯形图编程图解

时间:2023-03-08来源:佚名
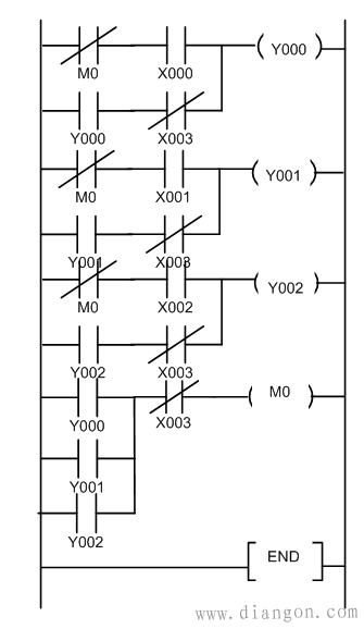
在多个输入信号的线路中,以最先动作的信号优先。在最先输入的信号未除去之时,其它信号无法动作。

先动作优先电路plc梯形图编程图解
继电器原理图

先动作优先电路plc梯形图编程图解
plc 梯形图
工作原理
常开按扭 0 到 3 不管哪一个按下时,其对应的继电器线圈得电,相应的常开触点闭合自锁,同时 J4 继电 器也动作断开其它 3 组的供电,只要最先得电的继电器不断电,其它继电器就无法动作。
电路应用
此电路只要在电源输入端加一个复位开关,可作抢答器用。
在多个输入信号的线路中,以最后动作的信号优先。前面动作所决定的状态自行解除。

    相关阅读

    交流电中的有效电流是如何定义的?

    交流电对于广大的地球村上的人们来说并不陌生,它的最大好处就是能够实现远距离的特高压电路的输送。交流电之所以称之为交流电,是因为它的电流的方向和大小随着时间的变化而...
    2023-06-27
    交流电中的有效电流是如何定义的?

    防止差动保护误动作的措施

    1. 对使用的电流互感器 要严格把关。发电机差动保护所用的尾端和出口断路器 处的两组电流互感器 要选用一个厂家的,且型号、性能要完全相同,三相变比必须相同,并尽量使用D级铁...
    2023-03-21

    守护电力心脏:负荷开关的定期检测与维护要点

    负荷开关作为电力系统中不可或缺的关键组件,其性能的稳定性和可靠性直接影响到电力系统的安全运行。因此,定期进行负荷开关的检测与维护至关重要。一、检测前准备1.1 安全准备...
    2024-08-09
    守护电力心脏:负荷开关的定期检测与维护要点

    动力、照明配电箱安装工艺

    动力、照明配电箱安装: 1.配电箱开孔应与配管吻合,并应在订货时就明确提出敲落孔的数量及规格,否则应用开孔器现场开孔;不得采用电、气焊切割。 2.暗装配电箱应配合土建将箱体...
    2023-06-11
    动力、照明配电箱安装工艺

    电气新手必知:电阻电感电容串并联交流电路(专业电气学姐带你学三十四)

    在上一次的学习中,我们知道了什么是阻抗和阻抗串联电路,而阻抗的串并联电路,也是类似于电阻的串并联电路,差别在于两种电路的计算过程不同。 在实际的正弦交流电路中,特别...
    2023-06-27
    电气新手必知:电阻电感电容串并联交流电路(专业电气学姐带你学三十四)

    热销商品

    加厚abs安全帽电工建筑工地程施工领导监理透气防砸头盔可印字V型

    这款加厚ABS安全帽专为电工、建筑工地施工人员、领导及监理设计,采用高强度ABS工程塑料,抗冲击、防砸性能优异,有效保障头部安全。帽体加厚设计,增强耐用性与防护等级...
    5.8

    欧普led筒灯3w孔灯超薄桶灯吊顶天花灯过道嵌入式洞灯客厅5w

    欧普LED筒灯是一款高品质嵌入式照明产品,适用于客厅、过道、吊顶等多种场景。采用优质LED光源,提供3W和5W两种功率选择,光线柔和均匀,显色指数高,有效还原真实色彩。超...
    7.45

    水口钳高硬度模型剪钳电子钳工业级口水剪斜嘴钳偏口斜口专用钳子

    水口钳高硬度模型剪钳是一款工业级精密工具,专为电子、模型制作及精细作业设计。采用优质高碳钢材质,经热处理工艺打造,具备卓越的硬度和耐磨性,可轻松剪切金属引脚、...
    4.8

    170电子剪钳II 如意斜口钳 工业斜嘴钳水口钳 模型剪塑胶钳尖嘴钳

    170电子剪钳II如意斜口钳是一款专业级精密工具,集工业斜嘴钳、水口钳、模型剪、塑胶钳与尖嘴钳功能于一体,适用于电子维修、模型制作、手工艺及精密作业。其采用优...
    4.5

    安全帽国标工地加厚施工领导透气安全头盔建筑工程监理免费印字

    本款安全帽严格遵循国家GB 2811-2019标准,专为建筑工程、工地施工及监理人员设计。采用高强度ABS工程塑料,加厚壳体有效抗冲击,保障头部安全。帽体轻盈透气,内置可调...
    10

    网站栏目