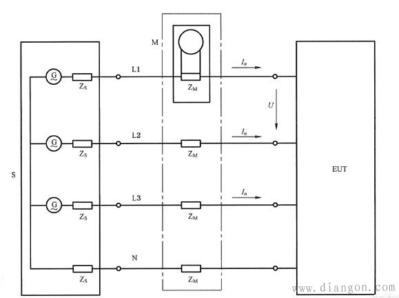
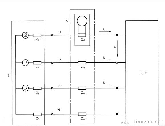
谐波电流测定试验时,将测量的谐波电流值与各类设备谐波限值进行比较以检验受试设备是否符合标准要求。谐波电流测定试验按照下列图中所给出的电路测量受试设备(EUT)的谐波电流:
——图1适用于单相设备;
——图2适用于三相设备。
1.单相设备谐波电流测定电路

图1:单相设备的测量电路
S——供电电源;EUT——受试设备;
ZM——测量设备的输入阻抗;In——线电流的n次谐波分量;
M——测量设备;U——试验电压;
ZS——供电电源的内阻抗;G——供电电源的开路电压。
注1:没有规定ZS和ZM的值,但应足够小以满足试验电源的要求,可以通过测量受试设备与测量设备连接处的电压来验证。
注2:在某些特殊情况下,须特别注意避免电源内电感与受试设备电容之间发生谐振。
注3:对于某些类型的设备,例如单相非稳压整流器,谐波幅值随着供电电压急剧变化。为使该变化降到最低程度,推荐将受试设备与测量设备连接点处的电压维持在220V±1.0V/380V±1.0V,采用与谐波评定相同的200ms观察窗进行评估。
2.三相设备谐波电流测定电路

图2:三相设备测量电路
S——供电电源;EUT——受试设备;
ZM——测量设备的输入阻抗;In——线电流的n次谐波分量;
M——测量设备;U——试验电压;
ZS——供电电源的内阻抗;G——供电电源的开路电压。
注1:没有规定ZS和ZM的值,但应足够小以满足试验电源的要求,可以通过测量受试设备与测量设备连接处的电压来验证。
注2:在某些特殊情况下,须特别注意避免电源内电感与受试设备电容之间发生谐振。
注3:对于某些类型的设备,例如单相非稳压整流器,谐波幅值随着供电电压急剧变化。为使该变化降到最低程度,推荐将受试设备与测量设备连接点处的电压维持在220V±1.0V/380V±1.0V,采用与谐波评定相同的200ms观察窗进行评估。