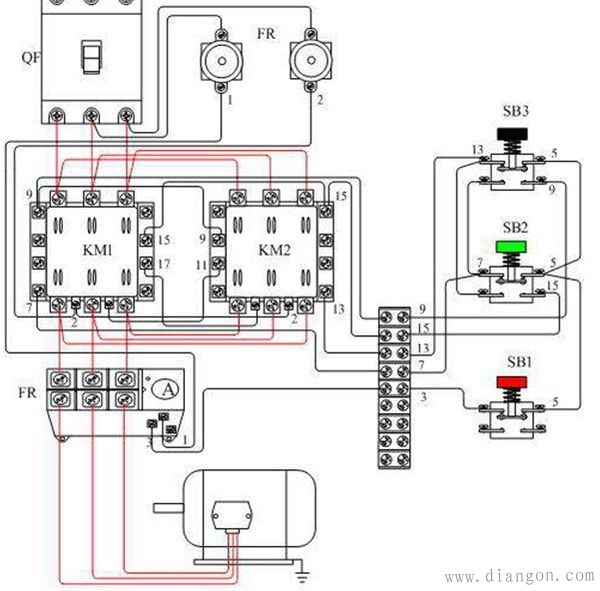
CJX2-2510交流接触器接线方法图解

时间:2023-03-08来源:佚名
CJX2-2510交流接触器接线:1、3、5接三相电源,2、4、6接三相电机(主电路部分)  
A1、A2 是接触器的线圈,接到控制电路里面去,通过控制接触器的线圈 (A1、A2)来实现控制住电路部分的电机。
  13、14表示这个接触器的辅助触点,NO表示为常开,也就是没通电的情况下13、14是断开的,通电后13、14是闭合的。放在控制电路部分用来自锁(并联在启动按钮上),达到连续运行的目的。

CJX2-2510交流接触器接线方法图解

CJX2-2510交流接触器接线方法图解

相关阅读

高层建筑水电暖施工顺序搭接“三字经”你知道是哪些吗?

人之初,性本善。性相近,习相远。苟不教,性乃迁。教之道,贵以专。昔孟母,择邻处。子不学,断机杼,窦燕山,有义方,教五子,名俱扬。养不教,父之过。教不严,师之惰。嘿...
2023-06-11
高层建筑水电暖施工顺序搭接“三字经”你知道是哪些吗?

多层陶瓷电容(MLCC)的漏电原因

多层瓷介电容器(MLCC),简称片式电容器,是由印好电极(内电极)的陶瓷介质膜片以错位的方式叠合起来,经过一次性高温烧结形成陶瓷芯片,再在芯片的两端封上金属层(外电极),从而形...
2023-03-31
多层陶瓷电容(MLCC)的漏电原因

屋里没有预留插座,只有灯开关怎么接插座?

家里装修有的地方忘了预留插座,只有灯开关怎么接插座?灯线一般都不会太粗,首先说接插座不能带太大负荷。而要接插座就需要一根零线和一根火线,而开关里面一般都是只有一根...
2023-04-03
屋里没有预留插座,只有灯开关怎么接插座?

室内装修水电施工标准 室内装修水电施工工艺

室内装修有很多的注意事项,水电施工是装修中重要的环节,水电不仅与居住的安全性有关,与后期的便捷舒适性也有很大的关系,小编带你们了解一下室内装修水电施工标准和室内装...
2023-06-11
室内装修水电施工标准 室内装修水电施工工艺

叙述锅炉控制系统的主要内容

锅炉控制系统包括模拟量控制系统、辅机顺序控制系统,以及锅炉燃烧管理系统。 (1) 模拟量闭环控制系统包括:A 燃料控制系统:由燃料主控系统发出燃料指令,改 变进入炉膛的燃...
2023-09-22
叙述锅炉控制系统的主要内容

热销商品

加厚abs安全帽电工建筑工地程施工领导监理透气防砸头盔可印字V型

这款加厚ABS安全帽专为电工、建筑工地施工人员、领导及监理设计,采用高强度ABS工程塑料,抗冲击、防砸性能优异,有效保障头部安全。帽体加厚设计,增强耐用性与防护等级...
5.8

欧普led筒灯3w孔灯超薄桶灯吊顶天花灯过道嵌入式洞灯客厅5w

欧普LED筒灯是一款高品质嵌入式照明产品,适用于客厅、过道、吊顶等多种场景。采用优质LED光源,提供3W和5W两种功率选择,光线柔和均匀,显色指数高,有效还原真实色彩。超...
7.45

水口钳高硬度模型剪钳电子钳工业级口水剪斜嘴钳偏口斜口专用钳子

水口钳高硬度模型剪钳是一款工业级精密工具,专为电子、模型制作及精细作业设计。采用优质高碳钢材质,经热处理工艺打造,具备卓越的硬度和耐磨性,可轻松剪切金属引脚、...
4.8

170电子剪钳II 如意斜口钳 工业斜嘴钳水口钳 模型剪塑胶钳尖嘴钳

170电子剪钳II如意斜口钳是一款专业级精密工具,集工业斜嘴钳、水口钳、模型剪、塑胶钳与尖嘴钳功能于一体,适用于电子维修、模型制作、手工艺及精密作业。其采用优...
4.5

安全帽国标工地加厚施工领导透气安全头盔建筑工程监理免费印字

本款安全帽严格遵循国家GB 2811-2019标准,专为建筑工程、工地施工及监理人员设计。采用高强度ABS工程塑料,加厚壳体有效抗冲击,保障头部安全。帽体轻盈透气,内置可调...
10

网站栏目