时钟振荡器应用电路图
时间:2023-03-08来源:佚名
|
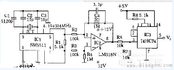
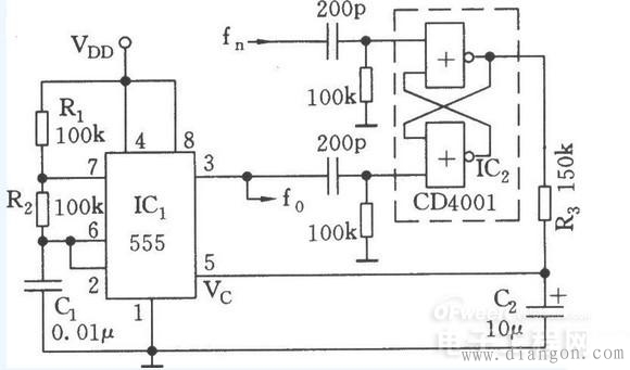
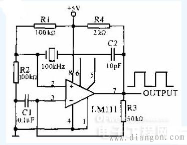
在数字电路中常常需要用精确的秒脉冲信号来对检测的信号进行采样取值。实际中多采用高频振荡器产生高频信号,然后经多级分频电路得到。这里介绍一种利用高频石英钟集成电路SM5511产生精确的秒脉冲的电路。 工作原理:电路如图所示。IC1通电后,在其3脚与5脚分别产生正的与负的窄幅脉冲信号。两路脉冲信号经高速运算放大器IC2比较放大后合并成周期为1秒的窄幅脉冲信号,经IC3 D型触发器后变成周期为2秒,占空比为1的秒脉冲信号。 调节微调电容C1可以改变石英谐振器SJT的振荡频率。配合高精度的高频计数器调节电容C1便可以得到精确的秒脉冲信号。 精确的秒脉冲信号产生器电路图 精确的基准时钟振荡电路:冲信号产生器 如图所示,由555和R1、R2、C1组成可控的多谐振荡器,它的振荡频率除与RC时间常数有关外,还可由控制端的直流电平来调节。而该直流电平由基准频率f。和555输出的振荡波频率fo=Nfn共同锁定的RS触发器输出的方波,经低通滤波后产生。CD4001的两个或非门电路组成RS触发器,RS触发器在锁定情况下,输出的占空比不变,因而滤波后的直流电平不变。若555的振荡频率f0向高漂移(或fn下降),则占空比加大,直流控制电平会相应增加,会使频率下降;反之亦然。 时钟同步的振荡器电路 可编程的时钟振荡器电路图 石英晶体矩形波振荡器电路主要用于比较新颖的数字系统的时钟脉冲发生器。该电路的石英晶体处于谐振状态时传输量最大,这时便按晶体的谐振荡率振荡。由于LM111的高输出阻抗与C2的隔离作用,使得石英晶体的负载非常轻。振荡频率的稳定度极高。该电路右获得100KHz的矩形波输出。 石英晶体矩形波振荡器电路图 |













