三相异步电动机启动,自锁,停止原理图

时间:2023-03-08来源:佚名
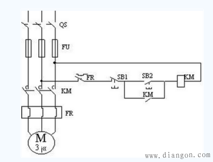
三相电动机的启动,自锁,停止的原理图:

三相异步电动机启动,自锁,停止原理图
1、启动:合上三相隔离开关QS,按起动按钮SB2,按触 器KM的吸引线圈得电,3对常开主触点闭合,将电动机M接入电源,电动机开始起动。同时,与SB2并联的KM的常开辅助触点闭合,即使松手断开SB2,吸引线圈KM通过其辅助触点可以继续保持通电,维持吸合状态。
2、自锁:由于KM的自锁作用,当松开SB2后,电动机M仍能继续起动,最后达到稳定运转。
3、停止: 按停止按钮SB1,接触器KM的线圈失电,其主触点和辅助触点均断开,电动机脱离电源,停止运转。

    相关阅读

    第一次见把热水器的电线布在水管槽里的,结果竟是被罚钱还被臭骂

    看看第一幅图,这是水电师傅做的水管施工,台盆的冷热水管做的还可以,下水管放的位置好像是略微偏了一点。 再来看看第二图,电热水器的冷热水管,做的也没有问题,问题就是电...
    2023-06-11
    第一次见把热水器的电线布在水管槽里的,结果竟是被罚钱还被臭骂

    什么是绝缘材料?主要有哪几种?

    绝缘材料又称电介质。通俗讲绝缘材料就是能够阻止电流在其中通过的材料,即不导电材料。常用的绝缘材料有:气体:如空气、六氟化硫等。 液体:如变压器油、电缆油、电容 器油...
    2023-03-14

    制动电阻的功率和阻值如何选择

    制动电阻是电阻器的一种,是按照电阻器的用途来命名。 变频器 调速的电动机 在快速制动过程中,由于电动机惯性作用,会产生大量的再生电能,会使变频器直流母线电压升高,造成...
    2023-03-08

    电工常用安全知识 考试必备

    1、安全工作规程是中规定:设备对地电压高于 250V 为高电压;在 250V 以下为低电压;安全电压为 36V 以下;安全电流为 10mA 以下。 2、值班人员因工作需要移开遮栏进行工作,要求的安全...
    2023-03-06

    泄露电缆与普通电缆有什么区别

    有关泄露电缆的小知识,泄露电缆是一种特殊结构的同轴电缆,与普通电缆相比,二者有哪些明显的区别,在未来泄露电缆能不能成为室内分布系统的主流,一起来了解下。 泄露电缆与...
    2022-12-08

    热销商品

    加厚abs安全帽电工建筑工地程施工领导监理透气防砸头盔可印字V型

    这款加厚ABS安全帽专为电工、建筑工地施工人员、领导及监理设计,采用高强度ABS工程塑料,抗冲击、防砸性能优异,有效保障头部安全。帽体加厚设计,增强耐用性与防护等级...
    5.8

    水口钳高硬度模型剪钳电子钳工业级口水剪斜嘴钳偏口斜口专用钳子

    水口钳高硬度模型剪钳是一款工业级精密工具,专为电子、模型制作及精细作业设计。采用优质高碳钢材质,经热处理工艺打造,具备卓越的硬度和耐磨性,可轻松剪切金属引脚、...
    4.8

    170电子剪钳II 如意斜口钳 工业斜嘴钳水口钳 模型剪塑胶钳尖嘴钳

    170电子剪钳II如意斜口钳是一款专业级精密工具,集工业斜嘴钳、水口钳、模型剪、塑胶钳与尖嘴钳功能于一体,适用于电子维修、模型制作、手工艺及精密作业。其采用优...
    4.5

    安全帽国标工地加厚施工领导透气安全头盔建筑工程监理免费印字

    本款安全帽严格遵循国家GB 2811-2019标准,专为建筑工程、工地施工及监理人员设计。采用高强度ABS工程塑料,加厚壳体有效抗冲击,保障头部安全。帽体轻盈透气,内置可调...
    10

    包邮三角型简易螺丝刀三角十字螺丝刀螺丝批改锥起子五金工具5mm

    这款5mm三角型简易螺丝刀,专为拧紧或拆卸三角形螺丝设计,适用于电子维修、家电维护及精密仪器装配等场景。采用优质合金钢材质,刀头硬度高、耐磨损,确保长久使用不变...
    3.64

    网站栏目