市场上有许许多多种抢答器,但功能却各不相同,电路也形形色色,而所选元件也各不相同。笔者设计了一款用plc控制的抢答器,该抢答器集抢答、声音警示、灯光指示和计时于一身,借助较少的外围元件完成抢答的整个过程,选用的是(OMRON)生产的C20p型PLC设计制作了四路抢答器,该设计编程简单,容易理解掌握,且工作稳定可靠。总体电路简单,易于制作。
1、系统工作原理
1.1 控制要求
(1)竞赛者若要回答主持人所提问题时,须抢先按下桌上的抢答按钮;
(2)绿色指示灯亮后,须等主持人按下复位按钮PB5后,指示灯才熄灭;
(3)如果竞赛者在主持人打开SW1开关10 s内抢先按下按钮,电磁线圈将使彩球摇动,以示竞赛者得到一次幸运的机会;
(4)如果在主持人打开SW1开关10 s内无人抢答,则必须有声音警示,同时红色指示灯亮,以示竞赛者放弃该题;
(5)在竞赛者抢答成功后,应限定一定的时间回答问题,根据题目难易可设定时间(如2 min);
(6)当主持人打开SW2开关后记时开始,如果竞赛者在回答问题时超出设定时限,则红色指示灯亮并伴有声音提示,竞赛者停止回答问题。
1.2 选定输入、输出设备
输入设备 输入端子号
抢答按钮 PB11 0000
抢答按钮 PB12 0001
抢答按钮 PB21 0002抢答按钮 PB22 0003
抢答按钮 PB31 0004
抢答按钮 PB32 0005
抢答按钮 PB41 0006
抢答按钮 PB42 0007
复位按钮 PB5 0008
选择开关 SW1 0009
限时开关 SW2 0010
输出设备 输出端子号
绿色指示灯L1输出 0500
绿色指示灯L2输出 0501
绿色指示灯L3输出 0502
绿色指示灯L4输出 0503
红色指示灯L5输出 0504
红色指示灯L6输出 0505
电磁开关SOL输出 0506
回答限时声音输出 0508
2、系统软件设计[1~3]
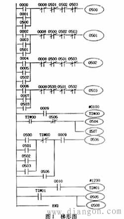
2.1 控制梯形图
系统控制梯形图如图1所示。

2.2 工作过程
(1)由于0500使用他的自身触点(常开触点),在0000或0001闭合后仍保持在ON状态(自锁)。同时,将其常闭触点串入其他各回路中,在0500接通后,他的常闭触点打开,切断其他抢答回路(互锁);
(2)0501,0502和0503以同样方式动作,自锁继电器在复位按钮PB5再次动作时将清零;
(3)机会选择开关SW1使0009闭合后,10 s定时器TIM00启动;
(4)如果0500,0501,0502和0503在10 s定时器TM00动作之前任何一个闭合,则0506变为ON以示抢答成功,同时切断10 s计时显示输出回路,否则输出声音提示,以示竞赛者放弃该题;
(5)常开触点0009断开后,自锁继电器和定时器TIM00将清零;
(6)抢答成功后,主持人闭合限时开关SW2使
0010闭合后,2 min定时器TIM01启动,时间到0505和0508闭合,红灯亮并有声音提示停止回答;
(7)常开触点0010断开后,定时器TIM01清零,为下一轮抢答做好准备。
2.3 程序指令
程序指令如表1所示。

2.4 外部接线图

外部接线如图2所示。
3、适当扩展
如果给电路加入适当的编、译码器件,就可以将红、绿灯指示变为直观的数字显示,对外围电路稍加修改,就可以变成多路多人抢答器,如六路或十路等,改为多路多人抢答器,可以在梯形图中再加入两路或六路分支即可。去掉程序中的互锁和抢答限时功能,可以将抢答器改成呼叫器,可以用在医院的病房、工厂的车间等多种地方。