双环控制系统的切换
时间:2023-03-08来源:佚名
|
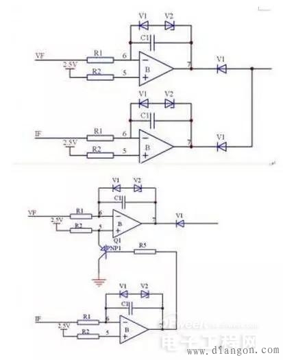
在设计电路中,带有限流功能的恒压源及带有限压功能的恒流源相信大家都不陌生,很多网友在设计电路的时候,有时候会采用下图所示电路,一个稳压环一个稳流环,逐渐增加负载,稳流环输出低电平进入限流,当负载减小退出限流的时候,稳压环需要一个切换时间,那么就出现了两环路都不工作的一个空白区,在这时间内,电路相当于开环,对系统来说,这是不利的。 但如果第二个电路,就不存在这样的问题,限流的时候,稳流环拉低稳压环的基准,在这个过程中,两个环路都在工作,即使在限流过程中,突然断开负载,由于稳压环一直在工作,所以在很短时间内电路就会进入稳定。而不会出现上述环路的空白区。
|








