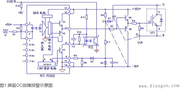
如何屏蔽变频器IGBT保护电路的OC故障报警信号
|
变频器的电路检修中,尤其是将驱动电路与主电路脱开检修的过程中,经常碰到OC故障报警现象,而此时变频器处于故障保护状态,脉冲传输通道被关闭,那么脉冲传输通道、驱动IC电路是否能正常工作呢?这就需要采取措施,暂时先屏蔽OC报警,便于检测脉冲传输通道的故障。
本文以采用PC929驱动IC的电路为例(见图1),探讨一下OC故障信号的特性及其屏蔽方法。曾有不少网友发帖子询问这个问题,在这里算是比较全面的做一个回复。 采用PC929驱动IC的驱动电路,由于具有IGBT导通管压降检测和OC故障报警功能,在连接电源驱动板和MCU主板,使驱动电路与IGBT相脱离的状态下进行检修时,PC923的输入端一旦输入脉冲信号,因VT1未接入电路中,电路c点一直保持高电平状态,不能满足PC929内部IGBT保护电路的“IGBT正常开通”检测信号输入的要求,PC2即向MCU主板送出OC报警信号,使MCU主板中止脉冲信号的输出,使检修者无法检测和判断脉冲传输通道(含驱动IC电路)是否正常。
我们先看一下OC故障的生成机制,再进而找到屏蔽OC故障的方法。 1、OC信号的特性、来源及原因 OC信号的特性: 由PC929内部的IGBT保护电路的电路特性可知,IGBT保护电路可等效为2输入端与门电路,逻辑关系式为AB=Y。在A、B端两路输入信号均为高电平时,输出端Y端为高电平时,输出OC信号。 OC信号的生成条件: 1)驱动IC处于脉冲传输状态,有正常脉冲信号输入,输入端11脚也有正常脉冲信号输出;2)OC故障检测信号输入端9脚同时为高电平。满足内部IGBT保护电路的OC信号输出动作条件,从8脚输出OC信号。 OC信号的“瞬态”特性: PC929的输出OC信号,经光耦合器进行光电转换和隔离后,传输至MCU主板电路,MCU接受OC信号后,判断IGBT出现严重过载故障,故停止脉冲信号的传输,同时在操作显示面板给出OC故障报警(显示OC或SC故障代码);随后,PC929内部IGBT保护电路因A端信号为低电平,AB=Y的逻辑关系不再成立,OC信号随之消失。 这说明PC929输出的OC信号是一个“瞬态信号”,不是在故障发生后一直“保持住”的。当变频器实施OC报警、停机保护动作后,我们在驱动电路(参见图5-14)PC929的8脚或PC2的输出端4脚,并不能测到OC信号——OC信号输出时表现为-9V*低电平和0V低电平,此时驱动IC的报警过程已经结束。 变频器说明书以对OC故障的注释: 过电流,变频器输出电流超额定值的200%;变频器输出侧(负载)短路;功率模块短路。但一般对驱动电路异常所致的OC故障、电流互感器检测电路异常误报OC故障,未予提示。 OC信号的两个来源: 通常,OC报警的信号来源有两个: 1)驱动IC报警,一般起动过程中,检测到IGBT的严重过流(过电流为额定工作电流1.5~2倍以上)状态时,输出OC信号; 2)电流检测电路(指系由输出电流互感器采样的电流信号)报出的OC信号。在停机状态,因电流检测电路本身故障(如电流互感器损坏)产生误报警信号,在运行状态,严重过流或三相电流严重不平衡时,报出OC信号。 那么OC故障报警时,首先应区分是驱动IC电路报警还是电流检测电路报警。一般来说,驱动IC电路比较好找,电路面积大较显眼,且易于采取报警屏蔽措施;电流检测电路往往集中于MCU主板,查找比较费力,屏蔽其信号也比较困难。因而经常采取先排除动IC报OC故障的可能,再检修电流检测电路的方法,找到OC报警信号来源。若解除驱动IC的OC报警后,变频器显示与操作均正常,说明OC故障由动IC报出,须检查逆变电路及驱动电路本身的故障。若变频器仍报OC故障,则应检查电流检测电路。 那么怎么知道是驱动IC报出了OC信号呢?当将某路驱动IC电路的OC报警信号屏蔽,使其不再满足OC报警条件,变频器随之不再报出OC故障,说明OC故障即是由该路驱动IC电路所报出。 OC报警的原因: 1)驱动供电的带载能力差,使IGBT的导通管压降增大;2)驱动IC或外接功率大器不良,驱动能力变差,使IGBT欠激励导通电阻变大; 3)IGBT损坏或性能变差,导通通电阻变大; 4)驱动IC电路误报警。 错误的OC报警: PC929内部IGBT管压降检测电路本身异常,则会使PC929在变频器上电后即误报OC故障,而且这个错误的报警状态是可以检测到的。如8脚内部晶体管V3出现短路故障,则上电后,则变频器上电后,光耦合器PC2即产生输入电流,输出端4脚变为0V低电平,向MCU报出OC故障; OC报警失效: PC929外部IGBT管压降检测电路本身异常,如二极管D1断路,对IGBT导通管压降检测失效,则在故障时不能完成正常检测与报警任务,可能会造成IGBT的过电流而损坏。 2、OC信号的屏蔽方法 要想暂时解除驱动电路的OC信号报警,基本方法有3个: 1)切断OC输出信号的传输 暂时短接光耦合器PC2的输入端1、2脚,使PC2停止信号输出;将R11与电路暂时脱开(焊脱),使PC2失去输入电流停止报警工作;将PC929的OC报警信号输出端8脚暂时与电路板脱开;将PC2的信号输出端4脚脱开。 2)切断IGBT管压降检测信号输入电路将R7、或D3暂时焊开,使IGBT检测输入信号回路中断,强制内部IGBT保护电路不动作。 3)“人为生成IGBT正常开通信号” a、将图5-14中的a、b点用短接,即将二极管D1的负极与驱动供电的0V*点短接,相当于将所驱动IGBT的C、E极短接,使c点电位变为0V*低电平,满足PC929内部IGBT保护电路对“IGBT正常开通”检测信号输入的要求; b、将图5-14中的c点与供电-9V*点短接,使 PC929的9脚输入信号保持为低电平,满足正常检测信号的输入要求。 c、小功率变频器,如果一体化功率模块已脱离电路板,也可以将主端子U、N端暂时短接,达到屏蔽OC报警信号的目的。 信号屏蔽方法有多种,都能达到解除OC报警的要求,可据操作方便等具体情况而实施。作者本人习惯于采用“人为生成IGBT正常开通信号”的方法,不需要将元件焊离电路,方法简便。使MCU主板和驱动电路均处于脉冲信号的正常传输状态,以便于对驱动电路的检修。 注意:检修完毕后,一定要将“暂时短接线”解除,恢复原电路状态;使用“短接方法”,应在电路无短路故障的危险——只在信号回路进行,确保无短路电流产生——的情况下进行。 |








