三只单相电压互感器在三相电路中的YNyn接线方式
时间:2023-03-08来源:佚名
|
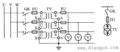
三只单相电压互感器在三相电路中的YNyn接线方式如图所示。用于提供给要求相电压的仪表、继电器及供给绝缘监察的电压表,该电压表的允许量程可按线电压的大小进行选择,但要留一定的余量。
图 三只单相电压互感器在三相电路中的YNyn接线方式 |
|
三只单相电压互感器在三相电路中的YNyn接线方式如图所示。用于提供给要求相电压的仪表、继电器及供给绝缘监察的电压表,该电压表的允许量程可按线电压的大小进行选择,但要留一定的余量。
图 三只单相电压互感器在三相电路中的YNyn接线方式 |






