学看电路图入门
|
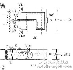
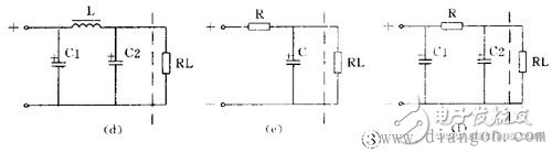
电子设备中有各种各样的图。能够说明它们工作原理的是电原理图,简称电路图。 电路图有两种,一种是说明模拟电子电路工作原理的。它用各种图形符号表示电阻器、电容器、开关、晶体管等实物,用线条把元器件和单元电路按工作原理的关系连接起来。这种图长期以来就一直被叫做电路图。 另一种是说明数字电子电路工作原理的。它用各种图形符号表示门、触发器和各种逻辑部件,用线条把它们按逻辑关系连接起来,它是用来说明各个逻辑单元之间的逻辑关系和整机的逻辑功能的。为了和模拟电路的电路图区别开来,就把这种图叫做逻辑电路图,简称逻辑图。 除了这两种图外,常用的还有方框图。它用一个框表示电路的一部分,它能简洁明了地说明电路各部分的关系和整机的工作原理。 一张电路图就好象是一篇文章,各种单元电路就好比是句子,而各种元器件就是组成句子的单词。所以要想看懂电路图,还得从认识单词 —— 元器件开始。有关电阻器、电容器、电感线圈、晶体管等元器件的用途、类别、使用方法等内容可以点击本文相关文章下的各个链接,本文只把电路图中常出现的各种符号重述一遍,希望初学者熟悉它们,并记住不忘。 电阻器与电位器 符号详见图 1 所示,其中( a )表示一般的阻值固定的电阻器,( b )表示半可调或微调电阻器;( c )表示电位器;( d )表示带开关的电位器。电阻器的文字符号是“ R ”,电位器是“ RP ”,即在 R 的后面再加一个说明它有调节功能的字符“ P ”。 在某些电路中,对电阻器的功率有一定要求,可分别用图 1 中( e )、( f )、( g )、( h )所示符号来表示。 几种特殊电阻器的符号: 第 1 种是热敏电阻符号,热敏电阻器的电阻值是随外界温度而变化的。有的是负温度系数的,用 NTC 来表示;有的是正温度系数的,用 PTC 来表示。它的符号见图( i ),用 θ 或 t° 来表示温度。它的文字符号是“ RT ”。 第 2 种是光敏电阻器符号,见图 1 ( j ),有两个斜向的箭头表示光线。它的文字符号是“ RL ”。 第 3 种是压敏电阻器的符号。压敏电阻阻值是随电阻器两端所加的电压而变化的。符号见图 1 ( k ),用字符 U 表示电压。它的文字符号是“ RV ”。这三种电阻器实际上都是半导体器件,但习惯上我们仍把它们当作电阻器。 第 4 种特殊电阻器符号是表示新近出现的保险电阻,它兼有电阻器和熔丝的作用。当温度超过 500℃ 时,电阻层迅速剥落熔断,把电路切断,能起到保护电路的作用。它的电阻值很小,目前在彩电中用得很多。它的图形符号见图 1 ( 1 ),文字符号是“ R F ”。 电容器的符号 详见图2 所示,其中( a )表示容量固定的电容器,( b )表示有极性电容器,例如各种电解电容器,( c )表示容量可调的可变电容器。( d )表示微调电容器,( e )表示一个双连可变电容器。电容器的文字符号是 C 。 电感器与变压器的符号 电感线圈在电路图中的图形符号见图 3 。其中( a )是电感线圈的一般符号,( b )是带磁芯或铁芯的线圈,( c )是铁芯有间隙的线圈,( d )是带可调磁芯的可调电感,( e )是有多个抽头的电感线圈。电感线圈的文字符号是“ L ”。 变压器的图形符号见图 4 。其中( a )是空芯变压器,( b )是滋芯或铁芯变压器,( c )是绕组间有屏蔽层的铁芯变压器,( d )是次级有中心抽头的变压器,( e )是耦合可变的变压器,( f )是自耦变压器,( g )是带可调磁芯的变压器,( h )中的小圆点是变压器极性的标记。 送话器、拾音器和录放音磁头的符号 送话器的符号见图 5 ( a )( b )( c ),其中( a )为一般送话器的图形符号,( b )是电容式送话器,( c )是压电晶体式送话器的图形符号。送话器的文字符号是“ BM ”。 拾音器俗称电唱头。图 5 ( d )是立体声唱头的图形符号,它的文字符号是“ B ”。图 5 ( e )是单声道录放音磁头的图形符号。如果是双声道立体声的,就在符号上加一个“ 2 ”字,见图( f )。 扬声器、耳机的符号 扬声器、耳机都是把电信号转换成声音的换能元件。耳机的符号见图 5 ( g )。它的文字符号是“ B E ”。扬声器的符号见图 5 ( h ),它的文字符号是“ BL ”。 接线元件的符号 电子电路中常常需要进行电路的接通、断开或转换,这时就要使用接线元件。接线元件有两大类:一类是开关;另一类是接插件。 ( 1 )开关的符号 在机电式开关中至少有一个动触点和一个静触点。当我们用手扳动、推动或是旋转开关的机构,就可以使动触点和静触点接通或者断开,达到接通或断开电路的目的。动触点和静触点的组合一般有 3 种: ① 动合(常开)触点,符号见图 6 ( a ); ② 动断(常闭)触点,符号是图 6 ( b ); ③ 动换(转换)触点,符号见图 6 ( c )。 一个最简单的开关只有一组触点,而复杂的开关就有好几组触点。点下方表示推拉的动作;( d )表示旋转式开关,带 3 极同时动合的触点;( e )表示推拉式 1×6 波段开关;( f )表示旋转式 1×6 波段开关的符号。开关的文字符号用“ S ”,对控制开关、波段开关可以用“ SA ”,对按钮式开关可以用“ SB ”。 开关在电路图中的图形符号见图 7 。其中( a )表示一般手动开关;( b )表示按钮开关,带一个动断触点;( c )表示推拉式开关,带一组转换触点;图中把扳键画在触点下方表示推拉的动作;( d )表示旋转式开关,带 3 极同时动合的触点;( e )表示推拉式 1×6 波段开关;( f )表示旋转式 1×6 波段开关的符号。开关的文字符号用“ S ”,对控制开关、波段开关可以用“ SA ”,对按钮式开关可以用“ SB ”。 ( 2 )接插件的符号 接插件的图形符号见图 8 。其中( a )表示一个插头和一个插座,(有两种表示方式)左边表示插座,右边表示插头。( b )表示一个已经插入插座的插头。( c )表示一个 2 极插头座,也称为 2 芯插头座。( d )表示一个 3 极插头座,也就是常用的 3 芯立体声耳机插头座。( e )表示一个 6 极插头座。为了简化也可以用图( f )表示,在符号上方标上数字 6 ,表示是 6 极。接插件的文字符号是 X 。为了区分,可以用“ XP ”表示插头,用“ XS ”表示插座。 继电器的符号 因为继电器是由线圈和触点组两部分组成的,所以继电器在电路图中的图形符号也包括两部分:一个长方框表示线圈;一组触点符号表示触点组合。当触点不多电路比较简单时,往往把触点组直接画在线圈框的一侧,这种画法叫集中表示法,如图 9 ( a )。当触点较多而且每对触点所控制的电路又各不相同时,为了方便,常常采用分散表示法。就是把线圈画在控制电路中,把触点按各自的工作对象分别画在各个受控电路里。这种画法对简化和分析电路有利。但这种画法必须在每对触点旁注上继电器的编号和该触点的编号,并且规定所有的触点都应该按继电器不通电的原始状态画出。图 9 ( b )是一个触摸开关。当人手触摸到金属片 A 时, 555 时基电路输出( 3 端)高电位,使继电器 KR1 通电,触点闭合使灯点亮使电铃发声。 555 时基电路是控制部分,使用的是 6 伏低压电。电灯和电铃是受控部分,使用的是 220 伏市电。 继电器的文字符号都是“ K ”。有时为了区别,交流继电器用“ KA ”,电磁继电器和舌簧继电器可以用“ KR ”,时间继电器可以用“ KT ”。 电池及熔断器符号 电池的图形符号见图 10 。长线表示正极,短线表示负极,有时为了强调可以把短线画得粗一些。图 10 ( b )是表示一个电池组。有时也可以把电池组简化地画成一个电池,但要在旁边注上电压或电池的数量。图 10 ( c )是光电池的图形符号。电池的文字符号为“ GB ”。熔断器的图形符号见图 11 ,它的文字符号是“ FU ”。 二极管符号 半导体二极管在电路图中的图形符号见图 12 。其中( a )为一段二极管的符号,箭头所指的方向就是电流流动的方向,就是说在这个二级管上端接正,下端接负电压时它就能导通。图( b )是稳压二极管符号。图( c )是变容二极管符号,旁边的电容器符号表示它的结电容是随着二极管两端的电压变化的。图( d )是热敏二极管符号。图( e )是发光二极管符号,用两个斜向放射的箭头表示它能发光。图( f )是磁敏二极管符号,它能对外加磁场作出反应,常被制成接近开关而用在自动控制方面。二极管的文字符号用“ V ”,有时为了和三极管区别,也可能用“ VD ”来表示。 三极管符号 由于 PNP 型和 NPN 型三极管在使用时对电源的极性要求是不同的,所以在三极管的图形符号中应该能够区别和表示出来。图形符号的标准规定:只要是 PNP 型三极管,不管它是用锗材料的还是用硅材料的,都用图 13 ( a )来表示。同样,只要是 NPN 型三极管,不管它是用锗材料还是硅材料的,都用图 13 ( b )来表示。图 13 ( c )是光敏三极管的符号。图 13 ( d )表示一个硅 NPN 型磁敏三极管 晶闸管、单结晶体管、场效应管的符号 晶闸管是晶体闸流管或可控硅整流器的简称,常用的有单向晶闸管、双向晶闸管和光控晶闸管,它们的符号分别为图 14 中的( a )( b )( c )。晶闸管的文字符号是“ VS ”。 单结晶体管的符号见图 15 利用电场控制的半导体器件,称为场效应管,它的符号如图 16 所示,其中( a )表示 N 沟道结型场效应管,( b )表示 N 沟道增强型绝缘栅场效应管,( c )表示 P 沟道耗尽型绝缘栅场效应管。它们的文字符号也是“ VT ”。 前面介绍了电路图中的元器件的作用和符号。一张电路图通常有几十乃至几百个元器件,它们的连线纵横交叉,形式变化多端,初学者往往不知道该从什么地方开始,怎样才能读懂它。其实电子电路本身有很强的规律性,不管多复杂的电路,经过分析可以发现,它是由少数几个单元电路组成的。好象孩子们玩的积木,虽然只有十来种或二三十种块块,可是在孩子们手中却可以搭成几十乃至几百种平面图形或立体模型。同样道理,再复杂的电路,经过分析就可发现,它也是由少数几个单元电路组成的。因此初学者只要先熟悉常用的基本单元电路,再学会分析和分解电路的本领,看懂一般的电路图应该是不难的。 按单元电路的功能可以把它们分成若干类,每一类又有好多种,全部单元电路大概总有几百种。下面我们选最常用的基本单元电路来介绍。让我们从电源电路开始。 一、电源电路的功能和组成 每个电子设备都有一个供给能量的电源电路。电源电路有整流电源、逆变电源和变频器三种。常见的家用电器中多数要用到直流电源。直流电源的最简单的供电方法是用电池。但电池有成本高、体积大、需要不时更换(蓄电池则要经常充电)的缺点,因此最经济可靠而又方便的是使用整流电源。 电子电路中的电源一般是低压直流电,所以要想从 220 伏市电变换成直流电,应该先把 220 伏交流变成低压交流电,再用整流电路变成脉动的直流电,最后用滤波电路滤除脉动直流电中的交流成分后才能得到直流电。有的电子设备对电源的质量要求很高,所以有时还需要再增加一个稳压电路。因此整流电源的组成一般有四大部分,见图 1 。其中变压电路其实就是一个铁芯变压器,需要介绍的只是后面三种单元电路。 二、整流电路 整流电路是利用半导体二极管的单向导电性能把交流电变成单向脉动直流电的电路。 ( 1 )半波整流 半波整流电路只需一个二极管,见图 2 ( a )。在交流电正半周时 VD 导通,负半周时 VD 截止,负载 R 上得到的是脉动的直流电 ( 2 )全波整流 全波整流要用两个二极管,而且要求变压器有带中心抽头的两个圈数相同的次级线圈,见图 2 ( b )。负载 R L 上得到的是脉动的全波整流电流,输出电压比半波整流电路高。 ( 3 )全波桥式整流 用 4 个二极管组成的桥式整流电路可以使用只有单个次级线圈的变压器,见图 2 ( c )。负载上的电流波形和输出电压值与全波整流电路相同。 ( 4 )倍压整流 用多个二极管和电容器可以获得较高的直流电压。图 2 ( d )是一个二倍压整流电路。当 U2 为负半周时 VD1 导通, C1 被充电, C1 上最高电压可接近 1.4U2 ;当 U2 正半周时 VD2 导通, C1 上的电压和 U2 叠加在一起对 C2 充电,使 C2 上电压接近 2.8U2 ,是 C1 上电压的 2 倍,所以叫倍压整流电路。 三、滤波电路 整流后得到的是脉动直流电,如果加上滤波电路滤除脉动直流电中的交流成分,就可得到平滑的直流电。 ( 1 )电容滤波 把电容器和负载并联,如图 3 ( a ),正半周时电容被充电,负半周时电容放电,就可使负载上得到平滑的直流电。 ( 2 )电感滤波 把电感和负载串联起来,如图 3 ( b ),也能滤除脉动电流中的交流成分。 ( 3 ) L 、 C 滤波 用 1 个电感和 1 个电容组成的滤波电路因为象一个倒写的字母“ L ”,被称为 L 型,见图 3 ( c )。用 1 个电感和 2 个电容的滤波电路因为象字母“ π ”,被称为 π 型,见图 3 ( d ),这是滤波效果较好的电路。 ( 4 ) RC 滤波 电感器的成本高、体积大,所以在电流不太大的电子电路中常用电阻器取代电感器而组成 RC 滤波电路。同样,它也有 L 型,见图 3 ( e ); π 型,见图 3 ( f )。 四、稳压电路 交流电网电压的波动和负载电流的变化都会使整流电源的输出电压和电流随之变动,因此要求较高的电子电路必须使用稳压电源。 (1 )稳压管并联稳压电路 用一个稳压管和负载并联的电路是最简单的稳压电路,见图 4 ( a )。图中 R 是限流电阻。这个电路的输出电流很小,它的输出电压等于稳压管的稳定电压值 V Z 。 (2 )串联型稳压电路 有放大和负反馈作用的串联型稳压电路是最常用的稳压电路。它的电路和框图见图 4 ( b )、( c )。它是从取样电路( R3 、 R4 )中检测出输出电压的变动,与基准电压( V Z )比较并经放大器( VT2 )放大后加到调整管( VT1 )上,使调整管两端的电压随着变化。如果输出电压下降,就使调整管管压降也降低,于是输出电压被提升;如果输出电压上升,就使调整管管压降也上升,于是输出电压被压低,结果就使输出电压基本不变。在这个电路的基础上发展成很多变型电路或增加一些辅助电路,如用复合管作调整管,输出电压可调的电路,用运算放大器作比较放大的电路,以及增加辅助电源和过流保护电路等。 ( 3 )开关型稳压电路 近年来广泛应用的新型稳压电源是开关型稳压电源。它的调整管工作在开关状态,本身功耗很小,所以有效率高、体积小等优点,但电路比较复杂。 开关稳压电源从原理上分有很多种。它的基本原理框图见图 4 ( d )。图中电感 L 和电容 C 是储能和滤波元件,二极管 VD 是调整管在关断状态时为 L 、 C 滤波器提供电流通路的续流二极管。开关稳压电源的开关频率都很高,一般为几~几十千赫,所以电感器的体积不很大,输出电压中的高次谐波也不多。 它的基本工作原理是 : 从取样电路( R3 、 R4 )中检测出取样电压经比较放大后去控制一个矩形波发生器。矩形波发生器的输出脉冲是控制调整管( VT )的导通和截止时间的。如果输出电压 U 0 因为电网电压或负载电流的变动而降低,就会使矩形波发生器的输出脉冲变宽,于是调整管导通时间增大,使 L 、 C 储能电路得到更多的能量,结果是使输出电压 U 0 被提升,达到了稳定输出电压的目的。 ( 4 )集成化稳压电路 近年来已有大量集成稳压器产品问世,品种很多,结构也各不相同。目前用得较多的有三端集成稳压器,有输出正电压的 CW7800 系列和输出负电压的 CW7900 系列等产品。输出电流从 0.1A ~ 3A ,输出电压有 5V 、 6V 、 9V 、 12V 、 15V 、 18V 、 24V 等多种。 这种集成稳压器只有三个端子,稳压电路的所有部分包括大功率调整管以及保护电路等都已集成在芯片内。使用时只要加上散热片后接到整流滤波电路后面就行了。外围元件少,稳压精度高,工作可靠,一般不需调试。 图 4 ( e )是一个三端稳压器电路。图中 C 是主滤波电容, C1 、 C2 是消除寄生振荡的电容 ,VD 是为防止输入短路烧坏集成块而使用的保护二极管。 |






























