LED显示器结构及分类
|
通过发光二极管芯片的适当连接(包括串联和并联)和适当的光学结构。可构成发光显示器的发光段或发光点。由这些发光段或发光点可以组成数码管、符号管、米字管、矩阵管、电平显示器管等等。通常把数码管、符号管、米字管共称笔画显示器,而把笔画显示器和矩阵管统称为字符显示器。 (一)LED显示器结构 基本的半导体数码管是由七个条状发光二极管芯片按图12排列而成的。可实现0~9的显示。其具体结构有“反射罩式”、“条形七段式”及“单片集成式多位数字式”等。 ![]()
(1)反射罩式数码管一般用白色塑料做成带反射腔的七段式外壳,将单个LED贴在与反射罩的七个反射腔互相对位的印刷电路板上,每个反射腔底部的中心位置就是LED芯片。在装反射罩前,用压焊方法在芯片和印刷电路上相应金属条之间连好φ30μm的硅铝丝或金属引线,在反射罩内滴入环氧树脂,再把带有芯片的印刷电路板与反射罩对位粘合,然后固化。 反射罩式数码管的封装方式有空封和实封两种。实封方式采用散射剂和染料的环氧树脂,较多地用于一位或双位器件。空封方式是在上方盖上滤波片和匀光膜,为提高器件的可靠性,必须在芯片和底板上涂以透明绝缘胶,这还可以提高光效率。这种方式一般用于四位以上的数字显示(或符号显示)。 (2)条形七段式数码管属于混合封装形式。它是把做好管芯的磷化镓或磷化镓圆片,划成内含一只或数只LED发光条,然后把同样的七条粘在日字形“可伐”框上,用压焊工艺连好内引线,再用环氧树脂包封起来。 (3)单片集成式多位数字显示器是在发光材料基片上(大圆片),利用集成电路工艺制作出大量七段数字显示图形,通过划片把合格芯片选出,对位贴在印刷电路板上,用压焊工艺引出引线,再在上面盖上“鱼眼透镜”外壳。它们适用于小型数字仪表中。 (4)符号管、米字管的制作方式与数码管类似。 (5)矩阵管(发光二极管点阵)也可采用类似于单片集成式多位数字显示器工艺方法制作。 (二)LED显示器分类 (1)按字高分:笔画显示器字高最小有1mm(单片集成式多位数码管字高一般在2~3mm)。其他类型笔画显示器最高可达12.7mm(0.5英寸)甚至达数百mm。 (2)按颜色分有红、橙、黄、绿等数种。 (3)按结构分,有反射罩式、单条七段式及单片集成式。(4)从各发光段电极连接方式分有共阳极和共阴极两种。 所谓共阳方式是指笔画显示器各段发光管的阳极(即P区)是公共的,而阴极互相隔离。 所谓共阴方式是笔画显示器各段发光管的阴极(即N区)是公共的,而阳极是互相隔离的。如图13所示。
![]()
(三)LED显示器的参数 由于LED显示器是以LED为基础的,所以它的光、电特性及极限参数意义大部分与发光二极管的相同。但由于LED显示器内含多个发光二极管,所以需有如下特殊参数: 1.发光强度比 由于数码管各段在同样的驱动电压时,各段正向电流不相同,所以各段发光强度不同。所有段的发光强度值中最大值与最小值之比为发光强度比。比值可以在1.5~2.3间,最大不能超过2.5。 2.脉冲正向电流 若笔画显示器每段典型正向直流工作电流为IF,则在脉冲下,正向电流可以远大于IF。脉冲占空比越小,脉冲正向电流可以越大。 (四)LED显示器的应用指南 1.七段数码显示器 (1)如果数码宇航局为共阳极形式,那么它的驱动级应为集电极开路(OC)结构,如图14(a)所示。 如果数码管为共阴极形式,它的驱动级应为射极输出或源极输出电路,如图14(b)所示。
![]()
例如国产TTL集成电路CT1049、CT4049为集电极开路形式七段字形译码驱动电路;而CMOS集成电路CC4511为源极输出七段锁存、译码驱动电路。 (2)控制数码管驱动级的控制电路(也称驱动电路)有静态式和动态式两类。 ① 静态驱动:静态驱动也称直流驱动。静态驱动是指每个数码管各用一个笔画译码器(如BCD码二-十进制译码器)译码驱动。图15是一位数码管的静态驱动之例。图集成电路TC5002BP内含有射极输出驱动级,所以采用共阴极数码管。A、B、C、D端为BCD码(二-十进制的8421码)输入端,BL为数码管熄灭及显示状态控制端,R为外接电阻。
图16为N位数字静态驱动显示电路。
![]()
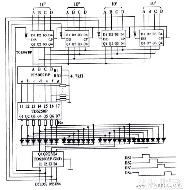
② 动态驱动:动态驱动是将所有数码管使用一个专门的译码驱动器,使各位数码管逐个轮流受控显示,这就是动态驱动。由于扫描速度极快。显示效果与静态驱动相同。图17是一种四位数字动态驱动(脉搏冲驱动)方法的线路。图中只用了一个译码驱动电路TC5002BP。
![]()
TC4508BP内含两个锁存器,每个锁存器可锁存四位二进BCD码,对应于四位十进制数的四组BCD码分别输入到四个锁存器,四个锁存器,四组BCD码由四个锁存器分时轮流输出进入译码器,译码后进入数码管驱动级集成电路TD62505P(输入端I1~I7与输出端Q1~Q7一一对应)。Q1~Q7分别加到四个数码管的a~g七个阳极上。数字驱动电路TD62003P是由达林顿构成的阵列电路,Q1~Q4中哪一端接地,由输入端I1~I4的四师长“使能”信号DS1~DS4控制。由于四个锁存器的轮换输出也是受“使能”信号DS1~DS4控制。所以四个数码管轮流通电显示。由于轮流显示频率较高,故显示的数字不呈闪烁现象。 2.米字管、符号管显示器 米字管和符号管的结构原理相机,所以其驱动方式也基本相同,只是译码电路的译码过程与七段译码器不同。 米字管可以显示包括英文字母在内的多种符号。符号管主要是用来显示 、-或±号等。 3.LED点阵式显示器 LED点阵式显示器与由单个发光二极管连成的显示器相比,具有焊点少、连线少,所有亮点在同平面、亮度均匀、外形美观等优点。 点阵管根据其内部LED尺寸的大小、数量的多少及发光强度、颜色等可分为多种规格。图18所示是具有代表性的P2057A和P2157A两种φ5高亮度橙红色5×7点阵组件。采用双列直插14脚封装,两种显示器的差别是LED极性不同,如图18所示。
![]()
该显示器用扫描驱动方式,选择较大峰值电流和窄脉冲作驱动源,每个LED的平均电流不应超过20mA。 LED点阵管可以代替数码管、符号管和米字管。不仅可以显示数字,也可显示所有西文字母和符号。如果将多块组合,可以构成大屏幕显示屏,用于汉字、图形、图表等等的显示。被广泛用于机场、车站、码头、银行及许多公共场所的指示、说明、广告等场合。 图19是一个LED点阵显示器驱动电路之例。
|















