在许多工矿企业中,鼠笼式异步电动机的数量占电力拖动设备总数的85%左右。在变压器容量允许的情况下,鼠笼式异步电动机应该尽可能采用全电压直接起动,既可以提高控制线路的可靠性,又可以减少电器的维修工作量。
电动机单向起动控制线路常用于只需要单方向运转的小功率电动机的控制。例如小型通风机、水泵以及皮带运输机等机械设备。图1是电动机单向起动控制线路的电气原理图。这是一种最常用、最简单的控制线路,能实现对电动机的起动、停止的自动控制、远距离控制、频繁操作等。

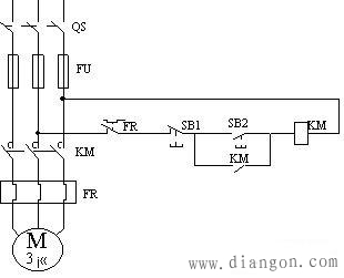
图1单向运行电气控制线路
在图1中,主电路由隔离开关QS、熔断器FU、接触器KM的常开主触点,热继电器FR的热元件和电动机M组成。控制电路由起动按钮SB2、停止按钮SB1、接触器KM线圈和常开辅助触点、热继电器FR的常闭触头构成。
控制线路工作原理为:
1、起动电动机 合上三相隔离开关QS,按起动按钮SB2,按触 器KM的吸引线圈得电,3对常开主触点闭合,将电动机M接入电源,电动机开始起动。同时,与SB2并联的KM的常开辅助触点闭合,即使松手断开SB2,吸引线圈KM通过其辅助触点可以继续保持通电,维持吸合状态。凡是接触器(或继电器)利用自己的辅助触点来保持其线圈带电的,称之为自锁(自保)。这个触点称为自锁(自保)触点。由于KM的自锁作用,当松开SB2后,电动机M仍能继续起动,最后达到稳定运转。
2、停止电动机 按停止按钮SB1,接触器KM的线圈失电,其主触点和辅助触点均断开,电动机脱离电源,停止运转。这时,即使松开停止按钮,由于自锁触点断开,接触器KM线圈不会再通电,电动机不会自行起动。只有再次按下起动按钮SB2时,电动机方能再次起动运转。
也可以用下述方式描述:
合上开关QS
起动→KM主触点闭点→电动机M得电起动、运行
按下SB2→KM线圈得电—→KM常开辅助触点闭合→实现自保
停车→KM主触点复位→电动机M断电停车
按下SB1→KM线圈失电—→ KM常开辅助触点复位→自保解除
3、线路保护环节
(1)短路保护
短路时通过熔断器FU的熔体熔断切开主电路。
(2)过载保护
通过热继电器FR实现。由于热继电器的热惯性比较大,即使热元件上流过几倍额定电流的电流,热继电器也不会立即动作。因此在电动机起动时间不太长的情况下,热继电器经得起电动机起动电流的冲击而不会动作。只有在电动机长期过载下FR才动作,断开控制电路,接触器KM失电,切断电动机主电路,电动机停转,实现过载保护。
(3)欠压和失压保护
当电动机正在运行时,如果电源电压由于某种原因消失,那么在电源电压恢复时,电动机就将自行起动,这就可能造成生产设备的损坏,甚至造成人身事故。对电网来说,同时有许多电动机及其他用电设备自行起动也会引起不允许的过电流及瞬间网络电压下降。为了防止电压恢复时电动机自行起动的保护叫失压保护或零压保护。
当电动机正常运转时,电源电压过分地降低将引起一些电器释放,造成控制线路不正常工作,可能产生事故;电源电压过分地降低也会引起电动机转速下降甚至停转。因此需要在电源电压降到一定允许值以下时将电源切断,这就是欠电压保护。
欠压和失压保护是通过接触器KM的自锁触点来实现的。在电动机正常运行中,由于某种原因使电网电压消失或降低,当电压低于接触器线圈的释放电压时,接触器释放,自锁触点断开,同时主触点断开,切断电动机电源,电动机停转。如果电源电压恢复正常,由于自锁解除,电动机不会自行起动,避免了意外事故发生。只有操作人员再次按下SB2后,电动机才能起动。控制线路具备了欠压和失压的保护能力以后,有如下三个方面优点:
防止电压严重下降时电动机在重负载情况下的低压运行;
避免电动机同时起动而造成电压的严重下降;
防止电源电压恢复时,电动机突然起动运转,造成设备和人身事故。