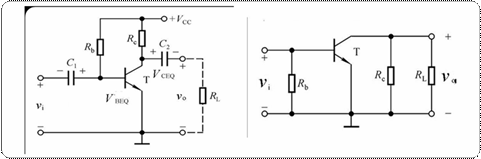
I 图示电路,若不考虑负载电阻RL,其输出电压是集电极动态电流 ic 在集电极电阻 Rc上产生的电压,当电流 ic 确定后,输出电压的大小取决于 Rc。输出回路方程和输出电压方程分别为:


当电路通过电容带上负载RL时,输出电压是集电极动态电流 ic 在集电极电阻 Rc 和负载电阻 RL 并联等效电阻上产生的电压。当电流 ic 确定后,输出电压的大小取决于 Rc||RL,而不仅仅取决于Rc。

以上两种情况,可以分别在它们的输出特性曲线画输出回路负载线得到输出电压。

直流负载线:
由情况I所确定的负载线。


交流负载线:
由情况II所确定的负载线,它是动态信号遵循的负载线。
直流负载线和交流负载线交于静态工作点Q。空载时,两条负载线重合。