电压并联负反馈与电流并联负反馈
时间:2023-03-08来源:佚名
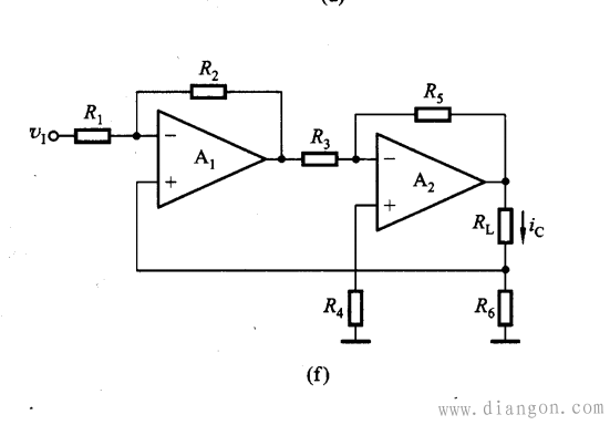
| 从图中分析知:R2是电压并联负反馈,R5是电压并联负反馈。而R6那一条之路的反馈确实是电流串联负反馈。首先,若从输出端直接取样,则为电压负反馈,若不是从输出端直接取样,比如在输出端串接了一个电阻(就像图中在RL和R6之间采样),在另一端取样的,就是电流负反馈;若反馈的输出端直接与信号输入端相连,则为并联负反馈,若不与信号输入端直接相连,比如你图中反馈输出端与信号输入端没有直接相连,则为串联负反馈。所以级间反馈为电流串联负反馈。 |








