施密特触发器原理图解详细分析
|
重要特性:施密特触发器具有如下特性:输入电压有两个阀值VL、VH,VL 施 施密特触发器也有两个稳定状态,但与一般触发器不同的是,施密特触发器采用电位触发方式,其状态由输入信号电位维持;对于负向递减和正向递增两种不同变化方向的输入信号,施密特触发器有不同的阀值电压。 门电路有一个阈值电压,当输入电压从低电平上升到阈值电压或从高电平下降到阈值电压时电路的状态将发生变化。施密特触发器是一种特殊的门电路,与普通的门电路不同,施密特触发器有两个阈值电压,分别称为正向阈值电压和负向阈值电压。在输入信号从低电平上升到高电平的过程中使电路状态发生变化的输入电压称为正向阈值电压,在输入信号从高电平下降到低电平的过程中使电路状态发生变化的输入电压称为负向阈值电压。正向阈值电压与负向阈值电压之差称为回差电压。 它是一种阈值开关电路,具有突变输入——输出特性的门电路。这种电路被设计成阻止输入电压出现微小变化(低于某一阈值)而引起的输出电压的改变。 利用施密特触发器状态转换过程中的正反馈作用,可以把边沿变化缓慢的周期性信号变换为边沿很陡的矩形脉冲信号。输入的信号只要幅度大于vt ,即可在施密特触发器的输出端得到同等频率的矩形脉冲信号。 当输入电压由低向高增加,到达V 时,输出电压发生突变,而输入电压Vi由高变低,到达V-,输出电压发生突变,因而出现输出电压变化滞后的现象,可以看出对于要求一定延迟启动的电路,它是特别适用的. 从传感器得到的矩形脉冲经传输后往往发生波形畸变。当传输线上的电容较大时,波形的上升沿将明显变坏;当传输线较长,而且接受端的阻抗与传输线的阻抗不匹配时,在波形的上升沿和下降沿将产生振荡现象;当其他脉冲信号通过导线间的分布电容或公共电源线叠加到矩形脉冲信号时,信号上将出现附加的噪声。无论出现上述的那一种情况,都可以通过用施密特反相触发器整形而得到比较理想的矩形脉冲波形。只要施密特触发器的vt 和vt-设置得合适,均能受到满意的整形效果。 施密特触发器的应用 1. 波形变换 可将三角波、正弦波等变成矩形波。 2. 脉冲波的整形 数字系统中,矩形脉冲在传输中经常发生波形畸变,出现上升沿和下降沿不理想的情况,可用施密特触发器整形后,获得较理想的矩形脉冲。 3. 脉冲鉴幅 幅度不同、不规则的脉冲信号时加到施密特触发器的输入端时,能选择幅度大于欲设值的脉冲信号进行输出。 施密特触发器常用芯片: 74LS18双四输入与非门(施密特触发) 74LS19六反相器(施密特触发) 74132、74LS132、74S132、74F132、74HC132四2输入与非施密特触发器触发器 74221、74LS221、74 HC221、74 C221双单稳态多谐振荡器(有施密特触发器) 触发器定义 施密特触发电路( 简称)是一种波形整形电路,当任何波形的信号进入电路时,输出在正、负饱和之间跳动,产生方波或脉波输出。不同于比较器,施密特触发电路有两个临界电压且形成一个滞后区,可以防止在滞后范围内之噪声干扰电路的正常工作。如遥控接收线路,传感器输入电路都会用到它整形。 施密特触发器 一般比较器只有一个作比较的临界电压,若输入端有噪声来回多次穿越临界电压时,输出端即受到干扰,其正负状态产生不正常转换,如图1所示。
图1 (a)反相比较器 (b)输入输出波形 施密特触发器如图2 所示,其输出电压经由R1 、R2 分压后送回到运算放大器的非反相输入端形成正反馈。因为正反馈会产生滞后(Hysteresis)现象,所以只要噪声的大小在两个临界电压(上临界电压及下临界电压)形成的滞后电压范围内,即可避免噪声误触发电路,如表1 所示
图2 (a)反相斯密特触发器 (b)输入输出波形
表1施密特触发器的滞后特性
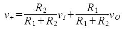
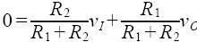
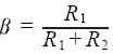
反相施密特触发器 电路如图2 所示,运算放大器的输出电压在正、负饱和之间转换: νO= ±Vsat 。输出电压经由R1 、R2 分压后反馈到非反相输入端:ν = βνO, 其中反馈因数= 当νO为正饱和状态( Vsat )时,由正反馈得上临界电压
当νO 为负饱和状态(- Vsat )时,由正反馈得下临界电压
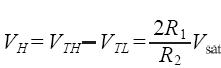
VTH 与VTL 之间的电压差为滞后电压:
图3 (a)输入、输出波形 (b)转换特性曲线 输入、输出波形及转换特性曲线如图3(b)所示。 当输入信号上升到大于上临界电压VTH 时,输出信号由正状态转变为 负状态即: νI >VTH→νo = - Vsat 当输入信号下降到小于下临界电压VTL 时,输出信号由负状态转变为 正状态即: νI <VTL→νo = Vsat 输出信号在正、负两状态之间转变,输出波形为方波。 非反相施密特电路 | ||||||||||
|
图4 非反相史密特触发器 |
非反相施密特电路的输入信号与反馈信号均接至非反相输入端,如图4所示。
由重迭定理可得非反相端电压

反相输入端接地: ν- = 0,当ν = ν- = 0 时的输入电压即为临界电压。
将ν = 0 代入上式得
整理后得临界电压
当νo 为负饱和状态时,可得上临界电压

当νo为正饱和状态时,可得下临界电压,

VTH与VTL之间的电压差为滞后电压:


图5 (a)计算机仿真图 (b)转换特性曲线
输入、输出波形与转换特性曲线如图5所示。
当输入信号下降到小于下临界电压VTL 时,输出信号由正状态转变为
负状态:νo < VTL →νo = - Vsat
当输入信号上升到大于上临界电压VTH 时,输出信号由负状态转变为
正状态: νo > VTL →νo = Vsat
输出信号在正、负两状态之间转变,输出波形为方波。
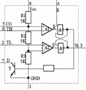
史密特触发器电路原理实验:
如图6,当Vi 大于VR 时运算放大器的输出会得到一个正向电压输出;若VR 大于Vi 时则会得到一个负电压。电压的大小则由两个齐紊二极管来限压。理想的运算放大器其输出上升时间为0,而在实际的电路上是上可能得到这么理想的曲线,一般从负压上升到正压需要一小段的上升时间。换言之,运算放大器并上能立刻反应Vi 及VR 所形成的电压差。
如果参考电压VR 固定,那么当Vi 慢慢增加时,仅在Vi-VR≧ V1 时。运算放大器的输出达到Vmax;而当Vi 渐渐减小时却必须于Vi-VR≦ V1 伏特时,输出才为Vmin。也即,欲达Vmax 及Vmin 输出电压的条件上一样,两者Vi-VR值相差V1,这种情形称为迟滞(hysteresis)现象。史密特触发器便是利用这种现象而做成的电路。
反相的史密特触发器,输出电压经由分压电路回授至运算放大器,参考电压则加在R1 及R2 的末端。回授β 值为R2/(R1 R2),此电路为正回授,如果输出增加了V,则有回授βV 到运算放大器。
当Vi V =VR (R2/R1 R2)(Vmax-VR) 当Vi=V 时,输出转为Vmin。 当Vi>V V =VR-(R2/R1 R2)(Vmin VR) 若此时V 渐渐小至V2,则输出又转为Vmax。由于迟滞现象,使得触发输出电压转相的电压有所上同,输入电压增加产生输出转相时所的电压,要比输入电压降低时所产生的输出转相所需电压来得大(V1>V2)。 图6






2R1







