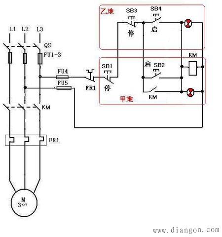
两地控制一台电动机原理图
时间:2023-03-08来源:佚名
|
主电路: 电源隔离开关QS、用于短路保护的熔断器FU1-3、接触器KM的主触点、用于过载保护的热继电器FR1的热元件、三相电动机M 控制电路: 用于短路保护的熔断器FU4、FU5、用于过载保护的热继电器FR1的常闭触点、接触器KM的线圈。 (1)甲地 停止按钮SB1、启动按钮SB2、信号灯 (2)乙地 停止按钮SB3、启动按钮SB4、信号灯 备注:其中控制两地的停止按钮采用串联联接方式,启动按钮采用并联联接方式。 |










