变频器在恒压供水方面的应用
|
随着人们生活质量的提高,在生活用水方面的质量要求也越来越高。同时,由于工厂工艺的要求,对供水质量也得出了更高的要求。变频恒压供水以其环保、节能和供水质量高等优点在供水行业中越来越得到认同。在城市小区化的发展中,采用以小区或社区为统一整体的供水方案,会使设备的利用率及节能比例大大提高,并减少初始投资和占地面积。 一、工作原理
变频恒压供水系统采用设定压力(可外部设定,也可内部设定)和实际反馈压力(压力传感器反馈为4~20mA或0-10V或远传压力表反馈)相比较反馈信号送入恒压供水控制器,经与压力设定值比较、PID运算,送出一个水量增加或减少信号,控制变频器升降频率改变电机转速。如在一定延时时间内,压力还是不足或过大,则通过恒压供水控制器作工频/变频切换,使实际管网压力与设定压力相一致。另外,随着用水量的减少,管网压力增加,大于设定压力时变频器自动减少输出频率,达到了节能的目的。
![]() 二、变频恒压供水代替传统供水的优点
1. 变频恒压供水能自动维持恒定压力,并根据反馈的压力信号自动启动或停止水泵,无级调整压力,供水质量好,与传统供水比较,不会造成管网破裂及水笼头开启时的共振现象。
2. 避免了泵的频繁启动及停止,而且电机的启动方式为软启动,减少了电机水泵的启动冲击,增加了电机水泵的使用寿命,也避免了传统供水中的水锤现象。
3. 传统供水中设计有水箱,不但浪费了资金,占用了较大的空间,而且水压不稳定,水质有污染,不符合卫生标准,而采用变频恒压供水,此类问题也就迎刃而解了。
4. 采用变频恒压供水,系统可以根据用户实际用量自动检测管网的压力,控制水泵的转速以达到节能效果。避免了水塔供水无人值班时,总要开启一个泵运行的现象,节省了人力及物力。
5. 变频恒压供水可以自动实现多泵循环运运行功能,使各泵的使用时间相近,磨损相同,减少了由于主泵长期运行而磨损严重、备泵长期停机而锈蚀的问题,延长了电机水泵的使用寿命。
6. 变频恒压供水系统保护功能齐全,运行可靠,具有欠压、过流、过载、过热、缺相、短路保护等功能。
三、适用范围
采用变频恒压供水,具有高效节能,压力稳定,运行可靠,操作简单,安装方便,占地少,噪音低,无污染,投资低,效益高等优点。特别适用于:
1. 宾馆、写字楼、公寓、居民小区等场所的生活给水和热水采暖系统;
2. 高层建筑、大型民用建筑的消防给水系统;
3. 工矿生产企业;
4. 各类自来水厂;
四、节能原理
由水泵的工作原理可知:水泵的流量与水泵(电机)转速成正比,水泵的扬程与水泵(电机)转速的平方成正比,水泵的轴功率等于流量与扬程的乘积,故水泵的轴功率与水泵(电机)转速的立方成正比。电机的转速为n=60f(1-s)/p;(n:电机转速,f:电源频率,s:转差率,p:电机极对数,电机转速与电源频率成正比)即水泵的轴功率与其转速(电机转速即电机电源频率)的三次方成正比。根据上述原理可知改变水泵的转速就可改变水泵的功率。
基本公式:流量Q∝n ,压力(扬程)H∝n2,功率P=Q*H∝n3.
例如:将供电频率50Hz降为45Hz,则P45/P50=(45/50)3= 0.729,即P45=0.729 *P50;将供电频率由50HZ降为40HZ,则P40/P50=(40/50)3= 0.512,即P40=0.512* P50。传统供水的水泵一般是按供水系统在设计时的最大工况需求来考虑的,而用水系统在实际使用中有很多时间不一定能达到用水的最大量,一般用阀门调节增大系统的阻力来节流,造成电机用电损失,而采用变频器可使系统工作状态平缓稳定,通过改变转速来调节用水供应,并可通过降低转速节能收回投资。从下图我们可以形象的看到以变频器控制、输入阀门控制和输出阀门控制三种流量控制方式的比较。
100KW电机三种流量控制方法的耗电实测比较表:
![]() 从上表可以看出在流量较低的时候,采用变频器控制方式节能效果非常明显,且实际应用中实际流量也很少达到设计的最大流量。很多电机拖动设备都存在全余量较大、工作效率低、电能耗量大、启动电流大、工作噪声大等难题。且不断的影响企业的经济效益,而投资变频器可以从根本上解决这些问题,且能较快的收回投资,一般回收期不超过12个月。
五、ACI变频器在恒压供水上的应用
变频恒压供水系统是解决现有供水问题的完美方案,具有节能、高效、可靠、高度自动化和高度智能化的特点。
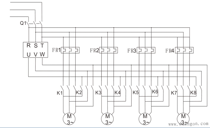
以东莞某洗净供水采用一拖四的供水方案为例:
系统主要配置如下表:
系统主回路电路 ![]() ![]() 其系统主要由恒压控制器、变频器、四台水泵、压力传感器构成;变频器是整个变频恒压供水系统的核心部分。水泵电机是输出环节,转速由变频器控制,实现变流量恒压控制。变频器接受恒压控制器的信号对水泵进行速度控制,压力传感器检测管网出水压力,把信号传给恒压控制器,再通过PID运算调节变频器的频率来控制水泵的转速,实现了一个闭环控制系统。当系统启动后第一台水泵以变频从0Hz开始运行,到50Hz后若压力仍小于设定压力则切换至工频运行,同时变频启动下一台水泵从0Hz开始运行;若运行到50Hz后还未达到设定压力值则又切换到工频运行,同时启动下一台水泵;如压力超过设定值则系统则会降频或减泵,以此到达压力恒定在设定值。无用水时压力达到设定值后,系统会自动进入休眠状态,当有人用水时系统会自动苏醒。
由于ACI变频器本身具有PID调节功能,在一拖一的情况下也可以不选用外置恒压控制器,调节更加平稳。
系统在增泵和减泵时会依据“先起先停”原则来交替切换水泵,从而到达每台水泵轮流运行避免一台水泵长期运行磨损严重,其它水泵则闲置生锈。延长了水泵的使用寿命。
系统还具备故障自诊断功能,水泵发生过载、缺相、传感器断线、传感器短路、高水压、低水位、变频器故障等都会有报警,通知人员处理,部分故障如高水压、低水位系统能自动处理和恢复运行,无需人员处理,高度智能自动化。
变频恒压供水相比传统供水方式更低的成本更高的供水质量,逐渐得到了行业的认可,是未来的发展方向。我司的恒压供水系统已广泛用于各工矿企业,实现了标准化、系列化,推动了行业的发展。
七、恒压供水的变频应用方式 |












