开关稳压器的解剖
|
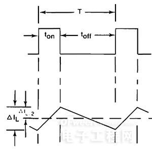
开关稳压器使用一个开关元件(通常是一个或两个金属氧化物半导体场效应晶体管(MOSFET))和能量存储装置(一个电感),以有效调节的输入电压到一个较低的(“巴克”)或更高( “升压”)的输出电压。 电感器执行在开关调节器的基本作用。在降压调节器,该晶体管被通电时,磁场在电感积聚,存储能量。电感两端的电压降(即正比于晶体管的占空比)反对(或“蚊」)的输入电压的一部分。当晶体管关断时,电感器反对通过经由二极管翻转其电动势(EMF)并提供给负载本身电流中的变化。 在升压转换器电流从输入流时,晶体管被接通。此穿过电感器和晶体管,具有能量被存储在电感器的磁场。没有电流通过二极管和负载电流由在电容器中的电荷供给。然后,当晶体管截止时,电感反对在当前任何压降通过反转其电动势,升压电源电压,电流,由于此升压电压,从源通过电感和二极管流向负载,以及再充电的电容器(图1)。 图1:有电流在升压转换器时,在晶体管(SW)被关断。 在稳态条件下在降压转换器,在该电感器(IL)的平均电流等于输出电流IOUT。由于电压输入是一个方波,电感电流不是恒定的,而是在一最大值和最小值之间波动与输入电压接通和关闭。的最大和最小(ΔIL)之间的差被称为峰 - 峰值电感电流纹波(图2)。 图2:输入电压开关引起监管机构的电感纹波电流。 反过来,电流脉动,结合输出滤波电容器的等效串联电阻(ESR),使输出电压纹波周围设置电压(见技术专区文章“电容的选择是关键良好稳压器的设计”)。 电感器的选择是在由电感电流的所需峰 - 峰值和开关频率部分来确定。对于给定的工作频率,一个较大的电感降低峰 - 峰电流(因为电流的斜坡上升及升降压是较浅这样的绕组)。然而,电感值成反比的开关频率为等于峰 - 峰纹波电流。通过增加开关稳压器的工作频率,以更少的循环和/或用于线圈较细的电线,和一个较小的芯可以使用的电感器,减少了电感器的体积,由于这样的事实,通过以高频率操作所述电感器不具有存储切换事件之间的能量[1](另见技术专区的文章“在完成一个基于模块的电源解决方案的电感器的作用”)。 |








