电动机接触器互锁正反转控制电路
时间:2023-03-09来源:佚名
|
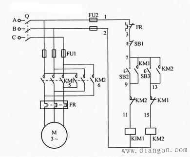
有的生产机械往往要求运动部件实现正反两个方向运动。例如,机床的工作台前进与后退、主轴的正转与反转、起重机的上升与下降等,这就要求拖动生产机械的电动机能实现正反转控制。 如下图所示是利用接触器互锁的正反转控制电路,图中主电路采用了两个接触器,其中KM1用于正转,KM2用于反转。两个接触器不能同时通电,否则会造成两相电源短路。因此将两个接触器的常闭辅助触点接入对方线圈电路,以实现互锁。
如要电动机停止,只需按下停止按钮SB1即可。 |







